| Количество: | |
|---|---|
D1105 (110 мм)- 3000 об / мин, 8 полюсов
I.CH
| Технические характеристики | ||||||||||
| Модель | Рейтинг мощности | Номинальное напряжение | Текущий | Количество полюсов | Номинальная скорость | Номинальный крутящий момент | Пик крутящего момента | Момент постоянный | Длина | Масса |
| W | VDC | A | оборотный | Н. СМ | Н. СМ | N. CM/A | мм | Кг | ||
| D1105-20025 | 600 | 310 | 2.5 | 8 | 3000 | 200 | 600 | 80 | 159 | 4.5 |
| D1105-40050 | 1200 | 310 | 5 | 400 | 1200 | 80 | 189 | 5.5 | ||
| D1105-60060 | 1800 | 310 | 6 | 600 | 1800 | 100 | 219 | 6.7 | ||
| *Примечание: мы можем настроить специальную скорость, напряжение, собранный размер. | ||||||||||
| Технические характеристики | ||||||||||
| Модель | Рейтинг мощности | Номинальное напряжение | Текущий | Количество полюсов | Номинальная скорость | Номинальный крутящий момент | Пик крутящего момента | Момент постоянный | Длина | Масса |
| W | VDC | A | оборотный | Н. СМ | Н. СМ | N. CM/A | мм | Кг | ||
| D1105-20025 | 600 | 310 | 2.5 | 8 | 3000 | 200 | 600 | 80 | 159 | 4.5 |
| D1105-40050 | 1200 | 310 | 5 | 400 | 1200 | 80 | 189 | 5.5 | ||
| D1105-60060 | 1800 | 310 | 6 | 600 | 1800 | 100 | 219 | 6.7 | ||
| *Примечание: мы можем настроить специальную скорость, напряжение, собранный размер. | ||||||||||
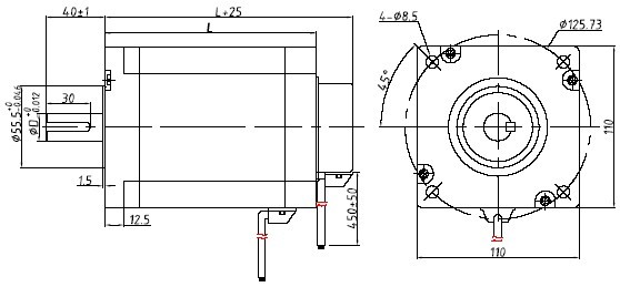
| Механические размеры |
![]() |
| Схема подключения |
![]() |
| Механические размеры |
![]() |
| Схема подключения |
![]() |
Пользовательский вал
Круглый, D-срезанный, перекрестный просверлен, ключ, нить или пустота

Encoder настроен для клиента
Особая длина, защитный шланг
Пользовательский вал
Круглый, D-срезанный, перекрестный просверлен, ключ, нить или пустота

Encoder настроен для клиента
Особая длина, защитный шланг