| Количество: | |
|---|---|
HL573 (57 мм)- 1,8 ° на шаг, 2 фаза
I.CH
Nema 23 Stepping Motor
| Электрическая спецификация двигателя | |||||||||
| Серия модель | Угол шага (O) | L (мм) | Рейтинг тока (а) | Фаза Сопротивление (Ω) | Фаза Индуктивность (MH) | Удерживая крутящий момент (N.CM) | Центр крутящего момента (N.CM) | Вести Проволока (НЕТ.) | Мотор Масса ( грамм) |
| HL573-05520 | 1.8 | 41 | 2.0 | 1.2 | 2.5 | 55 | 2.5 | 4 | 470 |
| HL573-08025 | 1.8 | 45 | 2.5 | 1.0 | 2.2 | 80 | 2.8 | 4 | 520 |
| HL573-11025A | 1.8 | 51 | 2.5 | 1.2 | 3.2 | 110 | 2.8 | 4 | 520 |
| HL573-11025B | 1.8 | 56 | 2.5 | 1.3 | 4.2 | 110 | 3.5 | 4 | 680 |
| HL573-11042 | 1.8 | 56 | 4.2 | 0.4 | 1.2 | 110 | 3.5 | 4 | 680 |
| HL573-15025 | 1.8 | 64 | 2.5 | 1.5 | 4.5 | 150 | 5.0 | 4 | 850 |
| HL573-15042 | 1.8 | 64 | 4.2 | 0.55 | 1.2 | 150 | 5.0 | 4 | 850 |
| HL573-18025 | 1.8 | 76 | 2.5 | 1.8 | 6.5 | 180 | 6.0 | 4 | 1050 |
| HL573-18042 | 1.8 | 76 | 4.2 | 0.6 | 1.8 | 180 | 6.0 | 4 | 1050 |
| HL573-25030 | 1.8 | 100 | 3.0 | 1.4 | 5.5 | 250 | 10 | 4 | 1250 |
| HL573-25042 | 1.8 | 100 | 4.2 | 0.8 | 3.0 | 250 | 10 | 4 | 1250 |
| HL573-28030 | 1.8 | 112 | 3.0 | 1.6 | 6.8 | 280 | 12 | 4 | 1400 |
| HL573-28042 | 1.8 | 112 | 4.2 | 0.9 | 3.8 | 280 | 12 | 4 | 1400 |
| Винт спецификация | ||
| ВИНТА ДИА. (ММ) | Путешествие за шаг (мм) | Свинец (мм) |
| Tr9.53 | 0.0127 | 2.54 |
| 0.0254 | 5.08 | |
| 0.0508 | 10.16 | |
| TR8.00 | 0.0400 | 8 |
| Электрическая спецификация двигателя | |||||||||
| Серия модель | Угол шага (O) | L (мм) | Рейтинг тока (а) | Фаза Сопротивление (Ω) | Фаза Индуктивность (MH) | Удерживая крутящий момент (N.CM) | Центр крутящего момента (N.CM) | Вести Проволока (НЕТ.) | Мотор Масса ( грамм) |
| HL573-05520 | 1.8 | 41 | 2.0 | 1.2 | 2.5 | 55 | 2.5 | 4 | 470 |
| HL573-08025 | 1.8 | 45 | 2.5 | 1.0 | 2.2 | 80 | 2.8 | 4 | 520 |
| HL573-11025A | 1.8 | 51 | 2.5 | 1.2 | 3.2 | 110 | 2.8 | 4 | 520 |
| HL573-11025B | 1.8 | 56 | 2.5 | 1.3 | 4.2 | 110 | 3.5 | 4 | 680 |
| HL573-11042 | 1.8 | 56 | 4.2 | 0.4 | 1.2 | 110 | 3.5 | 4 | 680 |
| HL573-15025 | 1.8 | 64 | 2.5 | 1.5 | 4.5 | 150 | 5.0 | 4 | 850 |
| HL573-15042 | 1.8 | 64 | 4.2 | 0.55 | 1.2 | 150 | 5.0 | 4 | 850 |
| HL573-18025 | 1.8 | 76 | 2.5 | 1.8 | 6.5 | 180 | 6.0 | 4 | 1050 |
| HL573-18042 | 1.8 | 76 | 4.2 | 0.6 | 1.8 | 180 | 6.0 | 4 | 1050 |
| HL573-25030 | 1.8 | 100 | 3.0 | 1.4 | 5.5 | 250 | 10 | 4 | 1250 |
| HL573-25042 | 1.8 | 100 | 4.2 | 0.8 | 3.0 | 250 | 10 | 4 | 1250 |
| HL573-28030 | 1.8 | 112 | 3.0 | 1.6 | 6.8 | 280 | 12 | 4 | 1400 |
| HL573-28042 | 1.8 | 112 | 4.2 | 0.9 | 3.8 | 280 | 12 | 4 | 1400 |
| Винт спецификация | ||
| ВИНТА ДИА. (ММ) | Путешествие за шаг (мм) | Свинец (мм) |
| Tr9.53 | 0.0127 | 2.54 |
| 0.0254 | 5.08 | |
| 0.0508 | 10.16 | |
| TR8.00 | 0.0400 | 8 |
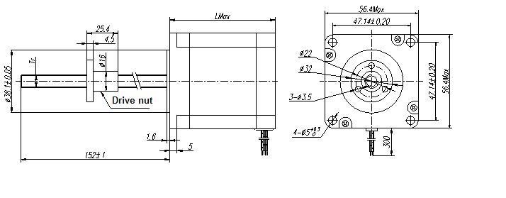
| Механические размеры |
![]() |
| Стандартная конфигурация Headwire |
![]() |
| Механические размеры |
![]() |
| Стандартная конфигурация Headwire |
![]() |
Пользовательский вал
Длина винтного вала
Внешняя гайка
Материал гайки: пластик, медь, Сталь, Пом
Разъем
Molex, Harwin, Tyco/Amp, JST EТК.
Особая длина, защитный шланг
Пользовательский вал
Длина винтного вала
Внешняя гайка
Материал гайки: пластик, медь, Сталь, Пом
Разъем
Molex, Harwin, Tyco/Amp, JST EТК.
Особая длина, защитный шланг