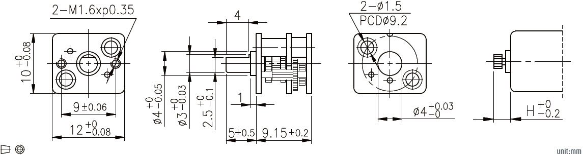
D122F
| Жилищный материал | Подшипник на выходе | Радиальная нагрузка (5 мм от фланца) | Осевая нагрузка вала | Пресс с валом, макс. | Радиальная игра вала | Упорная игра вала | Обратная реакция без нагрузки |
| Металл | Подшипники рукава | ≤0,4 кгф | ≤0,2 кгф | ≤2kgf | ≤0,06 мм | ≤0,2 мм | ≤1,5 ° |
| Жилищный материал | Подшипник на выходе | Радиальная нагрузка (5 мм от фланца) | Осевая нагрузка вала | Пресс с валом, макс. | Радиальная игра вала | Упорная игра вала | Обратная реакция без нагрузки |
| Металл | Подшипники рукава | ≤0,4 кгф | ≤0,2 кгф | ≤2kgf | ≤0,06 мм | ≤0,2 мм | ≤1,5 ° |
| Модуль | Количество зубов | Угол давления | Диаметр отверстия | Коэффициент сокращения. |
| 0.15 | 12 | 20 ° | 0.99 | 1/29,1/235,1/298 |
| 0.15 | 13 | 20 ° | 0.99 | 1/10,1/102 |
| 0.15 | 16 | 20 ° | 0.99 | 1/19,1/60,1/76,1/134,1/197 |
| Модуль | Количество зубов | Угол давления | Диаметр отверстия | Коэффициент сокращения. |
| 0.15 | 12 | 20 ° | 0.99 | 1/29,1/235,1/298 |
| 0.15 | 13 | 20 ° | 0.99 | 1/10,1/102 |
| 0.15 | 16 | 20 ° | 0.99 | 1/19,1/60,1/76,1/134,1/197 |
| Коэффициент сокращения | 1/10 | 1/19 | 1/29 | 1/60 | 1/76 | 1/102 | 1/134 | 1/197 | 1/235 | 1/298 |
| Оцененный толерантный крутящий момент (Кг.cm макс.) | 0.2 | 0.3 | 0.3 | 0.5 | 0.5 | 0.8 | 0.8 | 1.0 | 1.0 | 1.0 |
| Максимальный моментальный крутящий момент (Кг ) | 0.6 | 0.9 | 0.9 | 1.5 | 1.5 | 2.4 | 2.4 | 3.0 | 3.0 | 3.0 |
| Эффективность | 80% | 70% | 70% | 65% | 65% | 65% | 59% | 59% | 59% | 59% |
| Длина (H-MM) | 2.5 | 2.1 | 2.1 | 2.5 | 2.5 | 2.5 | 2.1 | 2.1 | 2.1 | 2.1 |
| Вес (G) | 4.0 | 4.0 | 4.0 | 4.0 | 4.0 | 4.0 | 4.0 | 4.0 | 4.0 | 4.0 |
| Коэффициент сокращения | 1/10 | 1/19 | 1/29 | 1/60 | 1/76 | 1/102 | 1/134 | 1/197 | 1/235 | 1/298 |
| Оцененный толерантный крутящий момент (Кг.cm макс.) | 0.2 | 0.3 | 0.3 | 0.5 | 0.5 | 0.8 | 0.8 | 1.0 | 1.0 | 1.0 |
| Максимальный моментальный крутящий момент (Кг ) | 0.6 | 0.9 | 0.9 | 1.5 | 1.5 | 2.4 | 2.4 | 3.0 | 3.0 | 3.0 |
| Эффективность | 80% | 70% | 70% | 65% | 65% | 65% | 59% | 59% | 59% | 59% |
| Длина (H-MM) | 2.5 | 2.1 | 2.1 | 2.5 | 2.5 | 2.5 | 2.1 | 2.1 | 2.1 | 2.1 |
| Вес (G) | 4.0 | 4.0 | 4.0 | 4.0 | 4.0 | 4.0 | 4.0 | 4.0 | 4.0 | 4.0 |