| штат: | |
|---|---|
| Количество: | |
H351 (35 мм)- 1,8 ° за шаг, 2/4 фаза
I.CH
Nema 14 Stepping Motor
| Электрическая спецификация | |||||||||
| Серия модель | Угол шага (O) | L (мм) | Рейтинг тока (а) | Фаза Сопротивление (Ω) | Фаза Индуктивность (MH) | Удерживая крутящий момент (N.CM) | Центр крутящего момента (N.CM) | Вести Проволока (НЕТ.) | Мотор Масса ( грамм) |
| H351-01205 | 1.8 | 28 | 0.46 | 20 | 14 | 12 | 0.8 | 4 | 120 |
| H351-01208 | 1.8 | 28 | 0.8 | 5.0 | 5.0 | 12 | 0.8 | 4 | 120 |
| H351-00904 | 1.8 | 28 | 0.4 | 30 | 11 | 9 | 0.8 | 6 | 120 |
| H351-01804 | 1.8 | 34 | 0.42 | 25 | 32 | 18 | 1.0 | 4 | 160 |
| H351-01808 | 1.8 | 34 | 0.8 | 6.5 | 9.8 | 18 | 1.0 | 4 | 160 |
| H351-01204 | 1.8 | 34 | 0.4 | 30 | 22 | 12 | 1.0 | 6 | 160 |
| Электрическая спецификация | |||||||||
| Серия модель | Угол шага (O) | L (мм) | Рейтинг тока (а) | Фаза Сопротивление (Ω) | Фаза Индуктивность (MH) | Удерживая крутящий момент (N.CM) | Центр крутящего момента (N.CM) | Вести Проволока (НЕТ.) | Мотор Масса ( грамм) |
| H351-01205 | 1.8 | 28 | 0.46 | 20 | 14 | 12 | 0.8 | 4 | 120 |
| H351-01208 | 1.8 | 28 | 0.8 | 5.0 | 5.0 | 12 | 0.8 | 4 | 120 |
| H351-00904 | 1.8 | 28 | 0.4 | 30 | 11 | 9 | 0.8 | 6 | 120 |
| H351-01804 | 1.8 | 34 | 0.42 | 25 | 32 | 18 | 1.0 | 4 | 160 |
| H351-01808 | 1.8 | 34 | 0.8 | 6.5 | 9.8 | 18 | 1.0 | 4 | 160 |
| H351-01204 | 1.8 | 34 | 0.4 | 30 | 22 | 12 | 1.0 | 6 | 160 |
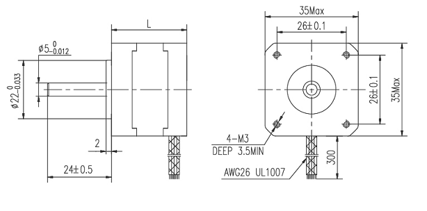
| Механические размеры |
![]() |
| Стандартная конфигурация Headwire |
![]() |
| Механические размеры |
![]() |
| Стандартная конфигурация Headwire |
![]() |
Пользовательский вал
Круглый, D-срезанный, перекрестный просверлен, ключ, нить или пустота
Шаговый мотор с энкодером
Encoder настроен для клиента
Шаговый мотор
Планетарная коробка передач шаговый двигатель
Spurbox Bearbox Stepper Motor
Разъем
Molex, Harwin, Tyco/Amp, JST EТК.
Особая длина, защитный шланг
Пользовательский вал
Круглый, D-срезанный, перекрестный просверлен, ключ, нить или пустота
Шаговый мотор с энкодером
Encoder настроен для клиента
Шаговый мотор
Планетарная коробка передач шаговый двигатель
Spurbox Bearbox Stepper Motor
Разъем
Molex, Harwin, Tyco/Amp, JST EТК.
Особая длина, защитный шланг
Фабрика способности
I.Ch Motion Co., Ltd., созданная в 2006 году, имеет годовые производственные возможности более 3 Миллион кусочков для шагового двигателя и микродвигателя. Мы прошли ISO9001: 2015 Система качества, все сырья, соответствующие ROHS, у нас есть NEMA 8, 11, 14, 16, 17, 23, 24, 43 Steeper Motor, 50 Вт, 100 Вт, 200 Вт, 400 Вт, 500 Вт, 750 Вт, 1000 Вт. , 1200 Вт Step Servo Motor и бесщеточный двигатель постоянного тока включены. 

Круглый шаговый мотор Шаговый мотор с энкодером Шаговый двигатель с резьбовым валом
Преимущества
1 1 -летняя гарантия для всех продуктов;
2 OEM & OED Service, послепродажная служба 24*7, Техническая поддержка;
3 Быстрый ответ вовремя.

Очиститель Шагтер для ротора Машинный центр


Сушилка Зона тестирования Звукоизоляционная комната
Упаковка
-Кустомизированные пакеты, поли -пакет/индивидуальная блистер/цветная коробка и т. Д. Согласно вашей потребности
-Поджация через суд, воздух или международный курьер;
-Провинка составляет от 20 до 45 рабочих дней

Часто задаваемые вопросы
Q1 К чему можно использовать ваши продукты?
A: Наш шаг двигатель может использоваться для роботов, электрического автоматического оборудования, медицинского инструмента, рекламного инструмента, освещения и аудиооборудования, принтера, текстильной машины, машины с ЧПУ, 3D -принтера.
Q2. Сколько степени может быть этот Micro Stepper Motor?
A: 1,8 градуса и 0,9deg.
Q3: Это два фаза или три фазы?
A: Это два фаза с четырьмя проводами.
Фабрика способности
I.Ch Motion Co., Ltd., созданная в 2006 году, имеет годовые производственные возможности более 3 Миллион кусочков для шагового двигателя и микродвигателя. Мы прошли ISO9001: 2015 Система качества, все сырья, соответствующие ROHS, у нас есть NEMA 8, 11, 14, 16, 17, 23, 24, 43 Steeper Motor, 50 Вт, 100 Вт, 200 Вт, 400 Вт, 500 Вт, 750 Вт, 1000 Вт. , 1200 Вт Step Servo Motor и бесщеточный двигатель постоянного тока включены. 

Круглый шаговый мотор Шаговый мотор с энкодером Шаговый двигатель с резьбовым валом
Преимущества
1 1 -летняя гарантия для всех продуктов;
2 OEM & OED Service, послепродажная служба 24*7, Техническая поддержка;
3 Быстрый ответ вовремя.

Очиститель Шагтер для ротора Машинный центр


Сушилка Зона тестирования Звукоизоляционная комната
Упаковка
-Кустомизированные пакеты, поли -пакет/индивидуальная блистер/цветная коробка и т. Д. Согласно вашей потребности
-Поджация через суд, воздух или международный курьер;
-Провинка составляет от 20 до 45 рабочих дней

Часто задаваемые вопросы
Q1 К чему можно использовать ваши продукты?
A: Наш шаг двигатель может использоваться для роботов, электрического автоматического оборудования, медицинского инструмента, рекламного инструмента, освещения и аудиооборудования, принтера, текстильной машины, машины с ЧПУ, 3D -принтера.
Q2. Сколько степени может быть этот Micro Stepper Motor?
A: 1,8 градуса и 0,9deg.
Q3: Это два фаза или три фазы?
A: Это два фаза с четырьмя проводами.