| штат: | |
|---|---|
| Количество: | |
H601 (60 мм)- 1,8 ° на шаг, 2 фаза
I.CH
Nema 24 Stepping Motor
| Электрическая спецификация | |||||||||
| Серия модель | Угол шага (O) | L (мм) | Рейтинг тока (а) | Фаза Сопротивление (Ω) | Фаза Индуктивность (MH) | Удерживая крутящий момент (N.CM) | Центр крутящего момента (N.CM) | Вести Проволока (НЕТ.) | Мотор Масса ( грамм) |
| H601-07520 | 1.8 | 41 | 2.0 | 1.2 | 2.5 | 75 | 3.0 | 4 | 500 |
| H601-08525 | 1.8 | 45 | 2.5 | 1.0 | 2.2 | 85 | 3.5 | 4 | 550 |
| H601-14025 | 1.8 | 51 | 2.5 | 1.2 | 3.2 | 140 | 4.0 | 4 | 580 |
| H601-16025 | 1.8 | 56 | 2.5 | 1.3 | 4.2 | 160 | 4.0 | 4 | 580 |
| H601-16030 | 1.8 | 56 | 3.0 | 0.8 | 2.4 | 160 | 4.0 | 4 | 580 |
| H601-16042 | 1.8 | 56 | 4.2 | 0.4 | 1.2 | 160 | 4.0 | 4 | 580 |
| H601-18025 | 1.8 | 64 | 2.5 | 1.5 | 4.5 | 180 | 5.0 | 4 | 850 |
| H601-18030 | 1.8 | 64 | 3.0 | 0.8 | 2.3 | 180 | 5.0 | 4 | 850 |
| H601-18042 | 1.8 | 64 | 4.2 | 0.55 | 1.2 | 180 | 5.0 | 4 | 850 |
| H601-22025 | 1.8 | 76 | 2.5 | 1.8 | 6.5 | 220 | 7.0 | 4 | 1150 |
| H601-22030 | 1.8 | 76 | 3.0 | 1.0 | 3.5 | 220 | 7.0 | 4 | 1150 |
| H601-22042 | 1.8 | 76 | 4.2 | 0.6 | 1.8 | 220 | 7.2 | 4 | 1150 |
| H601-26030 | 1.8 | 90 | 3.0 | 1.4 | 5.5 | 260 | 12 | 4 | 1400 |
| H601-26042 | 1.8 | 90 | 4.2 | 0.8 | 3.0 | 260 | 12 | 4 | 1400 |
| Вытащить кривую крутящего момента |
МОДЕЛЬ: H601-07520 Ток: 2.03a ВОЛЬТАЖ: 24 В/36 В постоянного тока Полный шаг МОДЕЛЬ: H601-08525 Ток: 2.36a Напряжение: 24 V/36 VDC Полный шаг МОДЕЛЬ: H601-16030 Текущий: 3.0a Напряжение: 24 V/36 VDC Полный шаг МОДЕЛЬ: H601-22042 Ток: 4.2a Напряжение: 24 V/36 VDC Полный шаг МОДЕЛЬ: H601-26042 Ток: 4.2a Напряжение: 24 V/36 VDC Полный шаг |
| Электрическая спецификация | |||||||||
| Серия модель | Угол шага (O) | L (мм) | Рейтинг тока (а) | Фаза Сопротивление (Ω) | Фаза Индуктивность (MH) | Удерживая крутящий момент (N.CM) | Центр крутящего момента (N.CM) | Вести Проволока (НЕТ.) | Мотор Масса ( грамм) |
| H601-07520 | 1.8 | 41 | 2.0 | 1.2 | 2.5 | 75 | 3.0 | 4 | 500 |
| H601-08525 | 1.8 | 45 | 2.5 | 1.0 | 2.2 | 85 | 3.5 | 4 | 550 |
| H601-14025 | 1.8 | 51 | 2.5 | 1.2 | 3.2 | 140 | 4.0 | 4 | 580 |
| H601-16025 | 1.8 | 56 | 2.5 | 1.3 | 4.2 | 160 | 4.0 | 4 | 580 |
| H601-16030 | 1.8 | 56 | 3.0 | 0.8 | 2.4 | 160 | 4.0 | 4 | 580 |
| H601-16042 | 1.8 | 56 | 4.2 | 0.4 | 1.2 | 160 | 4.0 | 4 | 580 |
| H601-18025 | 1.8 | 64 | 2.5 | 1.5 | 4.5 | 180 | 5.0 | 4 | 850 |
| H601-18030 | 1.8 | 64 | 3.0 | 0.8 | 2.3 | 180 | 5.0 | 4 | 850 |
| H601-18042 | 1.8 | 64 | 4.2 | 0.55 | 1.2 | 180 | 5.0 | 4 | 850 |
| H601-22025 | 1.8 | 76 | 2.5 | 1.8 | 6.5 | 220 | 7.0 | 4 | 1150 |
| H601-22030 | 1.8 | 76 | 3.0 | 1.0 | 3.5 | 220 | 7.0 | 4 | 1150 |
| H601-22042 | 1.8 | 76 | 4.2 | 0.6 | 1.8 | 220 | 7.2 | 4 | 1150 |
| H601-26030 | 1.8 | 90 | 3.0 | 1.4 | 5.5 | 260 | 12 | 4 | 1400 |
| H601-26042 | 1.8 | 90 | 4.2 | 0.8 | 3.0 | 260 | 12 | 4 | 1400 |
| Вытащить кривую крутящего момента |
МОДЕЛЬ: H601-07520 Ток: 2.03a ВОЛЬТАЖ: 24 В/36 В постоянного тока Полный шаг МОДЕЛЬ: H601-08525 Ток: 2.36a Напряжение: 24 V/36 VDC Полный шаг МОДЕЛЬ: H601-16030 Текущий: 3.0a Напряжение: 24 V/36 VDC Полный шаг МОДЕЛЬ: H601-22042 Ток: 4.2a Напряжение: 24 V/36 VDC Полный шаг МОДЕЛЬ: H601-26042 Ток: 4.2a Напряжение: 24 V/36 VDC Полный шаг |
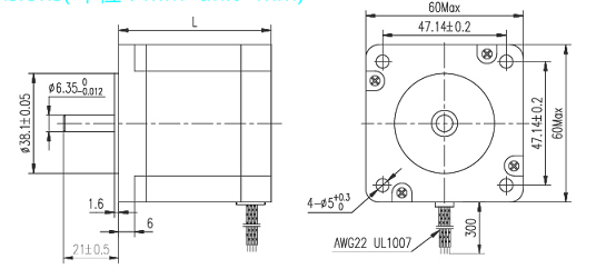
| Механические размеры |
![]() |
| Стандартная конфигурация Headwire |
![]() |
| Механические размеры |
![]() |
| Стандартная конфигурация Headwire |
![]() |
Пользовательский вал
Круглый, D-срезанный, перекрестный просверлен, ключ, нить или пустота
Шаговый мотор с энкодером
Encoder настроен для клиента
Шаговый мотор
Планетарная коробка передач шаговый двигатель
Spurbox Bearbox Stepper Motor
Разъем
Molex, Harwin, Tyco/Amp, JST EТК.
Особая длина, защитный шланг
Пользовательский вал
Круглый, D-срезанный, перекрестный просверлен, ключ, нить или пустота
Шаговый мотор с энкодером
Encoder настроен для клиента
Шаговый мотор
Планетарная коробка передач шаговый двигатель
Spurbox Bearbox Stepper Motor
Разъем
Molex, Harwin, Tyco/Amp, JST EТК.
Особая длина, защитный шланг
Полная таблица данныхH601.pdf
Полная таблица данныхH601.pdf
Фабрика способности
I.Ch Motion Co., Ltd., является заслуживающим доверия деловым партнером для многих покупателей и торговой компании, мы предлагаем не только продукты, но и решения. Мы разрабатываем идеальное проектное решение для многих различных компаний, таких как AGV Project, Project Vending Machine и т. Д. Наш шаговый двигатель, сервопривод, бесщеточный DC Motor владеет множеством патентов на шаговый двигатель широко используется в одежде, с ЧПУ, текстилем Машины, упаковочный механизм, медицинское оборудование, обработка жгута проводки и другие отрасли.


Круглый шаговый мотор Шаговый мотор с энкодером Шаговый мотор с нитью шаф
Преимущества
1 Быстрое предложение;
2 Различное решение;
3 Положительный отзыв.


Очиститель Шагтер для ротора Машинный центр

Сушилка Зона тестирования Звукоизоляционная комната
Упаковка
-Пак жесткий;
-Проспользуемый путь доставки, такой как судно, воздушная доставка, рекомендованная клиенту;
-время около 15-40 дней.


Часто задаваемые вопросы
Q1 Какая самая длинная длина тела?
A: Самая длинная длина тела - 90 мм.
Q2. Какой тип мотора NEMA 24 1,8DEG?
A: Биполярный шаговый двигатель 4 провода 2 фазы
Q3: Что такое приложение?
A: Он может быть использован в качестве мотора сканера, проектора двигателя.
Фабрика способности
I.Ch Motion Co., Ltd., является заслуживающим доверия деловым партнером для многих покупателей и торговой компании, мы предлагаем не только продукты, но и решения. Мы разрабатываем идеальное проектное решение для многих различных компаний, таких как AGV Project, Project Vending Machine и т. Д. Наш шаговый двигатель, сервопривод, бесщеточный DC Motor владеет множеством патентов на шаговый двигатель широко используется в одежде, с ЧПУ, текстилем Машины, упаковочный механизм, медицинское оборудование, обработка жгута проводки и другие отрасли.


Круглый шаговый мотор Шаговый мотор с энкодером Шаговый мотор с нитью шаф
Преимущества
1 Быстрое предложение;
2 Различное решение;
3 Положительный отзыв.


Очиститель Шагтер для ротора Машинный центр

Сушилка Зона тестирования Звукоизоляционная комната
Упаковка
-Пак жесткий;
-Проспользуемый путь доставки, такой как судно, воздушная доставка, рекомендованная клиенту;
-время около 15-40 дней.


Часто задаваемые вопросы
Q1 Какая самая длинная длина тела?
A: Самая длинная длина тела - 90 мм.
Q2. Какой тип мотора NEMA 24 1,8DEG?
A: Биполярный шаговый двигатель 4 провода 2 фазы
Q3: Что такое приложение?
A: Он может быть использован в качестве мотора сканера, проектора двигателя.