| Количество: | |
|---|---|
H862 (86 мм)- 0,9 ° на шаг, 4фаз
I.CH
Nema 34 Stepping Motor
| Электрическая спецификация | |||||||||
| Серия модель | Угол шага (O) | L (мм) | Рейтинг тока (а) | Фаза Сопротивление (Ω) | Фаза Индуктивность (MH) | Удерживая крутящий момент (N.CM) | Центр крутящего момента (N.CM) | Вести Проволока (НЕТ.) | Мотор Масса ( кг) |
| H862-20040 | 0.9 | 66 | 4.0 | 0.6 | 1.6 | 200 | 5.0 | 8 | 2.0 |
| H862-20050 | 0.9 | 66 | 5.0 | 0.4 | 1.0 | 200 | 5.0 | 8 | 2.0 |
| H862-20027 | 0.9 | 66 | 2.7 | 1.2 | 3.5 | 200 | 5.0 | 8 | 2.0 |
| H862-27040 | 0.9 | 78 | 4.0 | 0.7 | 3.0 | 270 | 5.8 | 8 | 2.5 |
| H862-27050 | 0.9 | 78 | 5.0 | 0.5 | 1.8 | 270 | 5.8 | 8 | 2.5 |
| H862-27027 | 0.9 | 78 | 2.7 | 1.6 | 5.6 | 270 | 5.8 | 8 | 2.5 |
| H862-45040 | 0.9 | 98 | 4.0 | 0.98 | 4.1 | 450 | 8.5 | 8 | 3.0 |
| H862-45050 | 0.9 | 98 | 5.0 | 0.65 | 2.4 | 450 | 8.5 | 8 | 3.0 |
| H862-45027 | 0.9 | 98 | 2.7 | 1.9 | 8.6 | 450 | 8.5 | 8 | 3.0 |
| H862-52040 | 0.9 | 114 | 4.0 | 1.1 | 5.5 | 520 | 11.0 | 8 | 3.5 |
| H862-52050 | 0.9 | 114 | 5.0 | 0.75 | 3.2 | 520 | 11.0 | 8 | 3.5 |
| H862-52027 | 0.9 | 114 | 2.7 | 2.0 | 11.5 | 520 | 11.0 | 8 | 3.5 |
| H862-58040 | 0.9 | 126 | 4.0 | 1.3 | 5.8 | 580 | 16.5 | 8 | 1.8 |
| H862-58050 | 0.9 | 126 | 5.0 | 0.85 | 3.4 | 580 | 16.5 | 8 | 1.8 |
| H862-58027 | 0.9 | 126 | 2.7 | 2.5 | 12.5 | 580 | 16.5 | 8 | 1.8 |
| H862-78040 | 0.9 | 150 | 4.0 | 1.4 | 9.2 | 780 | 20.5 | 8 | 4.2 |
| H862-78050 | 0.9 | 150 | 5.0 | 0.9 | 5.2 | 780 | 20.5 | 8 | 4.2 |
| H862-78027 | 0.9 | 150 | 2.7 | 2.9 | 17.5 | 780 | 20.5 | 8 | 4.2 |
| Вытащить кривую крутящего момента |
| МОДЕЛЬ: H862-20027 ТЕКУЩИЙ: 4.0A Напряжение: 48 В/60 В пост. Полный шаг МОДЕЛЬ: H862-27040 Текущий: 4.0A Напряжение: 48 V/60 VDC Полный шаг МОДЕЛЬ: H862-45050 Текущий: 6,0А Напряжение: 48 V/60 VDC Полный шаг |
| Электрическая спецификация | |||||||||
| Серия модель | Угол шага (O) | L (мм) | Рейтинг тока (а) | Фаза Сопротивление (Ω) | Фаза Индуктивность (MH) | Удерживая крутящий момент (N.CM) | Центр крутящего момента (N.CM) | Вести Проволока (НЕТ.) | Мотор Масса ( кг) |
| H862-20040 | 0.9 | 66 | 4.0 | 0.6 | 1.6 | 200 | 5.0 | 8 | 2.0 |
| H862-20050 | 0.9 | 66 | 5.0 | 0.4 | 1.0 | 200 | 5.0 | 8 | 2.0 |
| H862-20027 | 0.9 | 66 | 2.7 | 1.2 | 3.5 | 200 | 5.0 | 8 | 2.0 |
| H862-27040 | 0.9 | 78 | 4.0 | 0.7 | 3.0 | 270 | 5.8 | 8 | 2.5 |
| H862-27050 | 0.9 | 78 | 5.0 | 0.5 | 1.8 | 270 | 5.8 | 8 | 2.5 |
| H862-27027 | 0.9 | 78 | 2.7 | 1.6 | 5.6 | 270 | 5.8 | 8 | 2.5 |
| H862-45040 | 0.9 | 98 | 4.0 | 0.98 | 4.1 | 450 | 8.5 | 8 | 3.0 |
| H862-45050 | 0.9 | 98 | 5.0 | 0.65 | 2.4 | 450 | 8.5 | 8 | 3.0 |
| H862-45027 | 0.9 | 98 | 2.7 | 1.9 | 8.6 | 450 | 8.5 | 8 | 3.0 |
| H862-52040 | 0.9 | 114 | 4.0 | 1.1 | 5.5 | 520 | 11.0 | 8 | 3.5 |
| H862-52050 | 0.9 | 114 | 5.0 | 0.75 | 3.2 | 520 | 11.0 | 8 | 3.5 |
| H862-52027 | 0.9 | 114 | 2.7 | 2.0 | 11.5 | 520 | 11.0 | 8 | 3.5 |
| H862-58040 | 0.9 | 126 | 4.0 | 1.3 | 5.8 | 580 | 16.5 | 8 | 1.8 |
| H862-58050 | 0.9 | 126 | 5.0 | 0.85 | 3.4 | 580 | 16.5 | 8 | 1.8 |
| H862-58027 | 0.9 | 126 | 2.7 | 2.5 | 12.5 | 580 | 16.5 | 8 | 1.8 |
| H862-78040 | 0.9 | 150 | 4.0 | 1.4 | 9.2 | 780 | 20.5 | 8 | 4.2 |
| H862-78050 | 0.9 | 150 | 5.0 | 0.9 | 5.2 | 780 | 20.5 | 8 | 4.2 |
| H862-78027 | 0.9 | 150 | 2.7 | 2.9 | 17.5 | 780 | 20.5 | 8 | 4.2 |
| Вытащить кривую крутящего момента |
| МОДЕЛЬ: H862-20027 ТЕКУЩИЙ: 4.0A Напряжение: 48 В/60 В пост. Полный шаг МОДЕЛЬ: H862-27040 Текущий: 4.0A Напряжение: 48 V/60 VDC Полный шаг МОДЕЛЬ: H862-45050 Текущий: 6,0А Напряжение: 48 V/60 VDC Полный шаг |
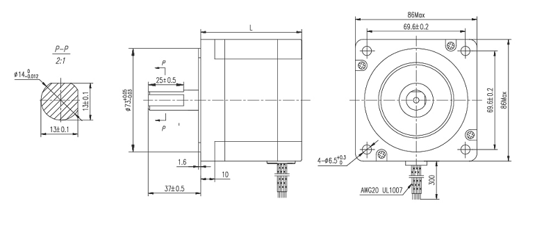
| Механические размеры |
![]() |
| Стандартная конфигурация Headwire |
![]() |
| Механические размеры |
![]() |
| Стандартная конфигурация Headwire |
![]() |
Пользовательский вал
Круглый, D-срезанный, перекрестный просверлен, ключ, нить или пустота
Ступенька Двигатель с кодером
Encoder настроен для клиента
Шаговый мотор
Планетарная коробка передач шаговый двигатель
Spurbox Bearbox Stepper Motor
Разъем
Molex, Harwin, Tyco/Amp, JST EТК.
Особая длина, защитный шланг
Пользовательский вал
Круглый, D-срезанный, перекрестный просверлен, ключ, нить или пустота
Ступенька Двигатель с кодером
Encoder настроен для клиента
Шаговый мотор
Планетарная коробка передач шаговый двигатель
Spurbox Bearbox Stepper Motor
Разъем
Molex, Harwin, Tyco/Amp, JST EТК.
Особая длина, защитный шланг