| Количество: | |
|---|---|
H861 (86 мм)- 1,8 ° за шаг, 2/4 фаза
I.CH
Nema 34 Stepping Motor
| Электрическая спецификация | |||||||||
| Серия модель | Угол шага (O) | L (мм) | Рейтинг тока (а) | Фаза Сопротивление (Ω) | Фаза Индуктивность (MH) | Удерживая крутящий момент (N.CM) | Центр крутящего момента (N.CM) | Вести Проволока (НЕТ.) | Мотор Масса ( кг) |
| H861-22040 | 1.8 | 66 | 4.0 | 0.6 | 1.6 | 220 | 5.5 | 8 | 2.0 |
| H861-22050 | 1.8 | 66 | 5.0 | 0.4 | 1.0 | 220 | 5.5 | 8 | 2.0 |
| H861-22027 | 1.8 | 66 | 2.7 | 1.2 | 3.5 | 220 | 5.5 | 8 | 2.0 |
| H861-30040 | 1.8 | 78 | 4.0 | 0.7 | 3.0 | 300 | 6.5 | 8 | 2.5 |
| H861-30050 | 1.8 | 78 | 5.0 | 0.5 | 1.8 | 300 | 6.5 | 8 | 2.5 |
| H861-30027 | 1.8 | 78 | 2.7 | 1.6 | 5.6 | 300 | 6.5 | 8 | 2.5 |
| H861-49040 | 1.8 | 98 | 4.0 | 0.98 | 4.1 | 490 | 9.5 | 8 | 3.0 |
| H861-49050 | 1.8 | 98 | 5.0 | 0.65 | 2.4 | 490 | 9.5 | 8 | 3.0 |
| H861-49027 | 1.8 | 98 | 2.7 | 1.9 | 8.6 | 490 | 9.5 | 8 | 3.0 |
| H861-58040 | 1.8 | 114 | 4.0 | 1.1 | 5.5 | 580 | 12.5 | 8 | 3.5 |
| H861-58050 | 1.8 | 114 | 5.0 | 0.75 | 3.2 | 580 | 12.5 | 8 | 3.5 |
| H861-58027 | 1.8 | 114 | 2.7 | 2.0 | 11.5 | 580 | 12.5 | 8 | 3.5 |
| H861-64040 | 1.8 | 126 | 4.0 | 1.3 | 5.8 | 640 | 18.5 | 8 | 1.8 |
| H861-64050 | 1.8 | 126 | 5.0 | 0.85 | 3.4 | 640 | 18.5 | 8 | 1.8 |
| H861-64027 | 1.8 | 126 | 2.7 | 2.5 | 12.5 | 640 | 18.5 | 8 | 1.8 |
| H861-85040 | 1.8 | 150 | 4.0 | 1.4 | 9.2 | 850 | 24.5 | 8 | 4.2 |
| H861-85050 | 1.8 | 150 | 5.0 | 0.9 | 5.2 | 850 | 24.5 | 8 | 4.2 |
| H861-85027 | 1.8 | 150 | 2.7 | 2.9 | 17.5 | 850 | 24.5 | 8 | 4.2 |
| Вытащить кривую крутящего момента |
| МОДЕЛЬ: H861-22027 Текущий: 3.71a ВОЛЬТАЖ: 48 В/60 В Полный шаг МОДЕЛЬ: H861-30040 Текущий: 5.6a Напряжение: 48 V/60 VDC Полный шаг МОДЕЛЬ: H861-49050 Текущий: 6,0А Напряжение: 48 V/60 VDC Полный шаг МОДЕЛЬ: H861-64050 Текущий: 6,0А Напряжение: 48 V/60 VDC Полный шаг МОДЕЛЬ: H601-26042 Ток: 4.2a Напряжение: 24 V/36 VDC Полный шаг |
| Электрическая спецификация | |||||||||
| Серия модель | Угол шага (O) | L (мм) | Рейтинг тока (а) | Фаза Сопротивление (Ω) | Фаза Индуктивность (MH) | Удерживая крутящий момент (N.CM) | Центр крутящего момента (N.CM) | Вести Проволока (НЕТ.) | Мотор Масса ( кг) |
| H861-22040 | 1.8 | 66 | 4.0 | 0.6 | 1.6 | 220 | 5.5 | 8 | 2.0 |
| H861-22050 | 1.8 | 66 | 5.0 | 0.4 | 1.0 | 220 | 5.5 | 8 | 2.0 |
| H861-22027 | 1.8 | 66 | 2.7 | 1.2 | 3.5 | 220 | 5.5 | 8 | 2.0 |
| H861-30040 | 1.8 | 78 | 4.0 | 0.7 | 3.0 | 300 | 6.5 | 8 | 2.5 |
| H861-30050 | 1.8 | 78 | 5.0 | 0.5 | 1.8 | 300 | 6.5 | 8 | 2.5 |
| H861-30027 | 1.8 | 78 | 2.7 | 1.6 | 5.6 | 300 | 6.5 | 8 | 2.5 |
| H861-49040 | 1.8 | 98 | 4.0 | 0.98 | 4.1 | 490 | 9.5 | 8 | 3.0 |
| H861-49050 | 1.8 | 98 | 5.0 | 0.65 | 2.4 | 490 | 9.5 | 8 | 3.0 |
| H861-49027 | 1.8 | 98 | 2.7 | 1.9 | 8.6 | 490 | 9.5 | 8 | 3.0 |
| H861-58040 | 1.8 | 114 | 4.0 | 1.1 | 5.5 | 580 | 12.5 | 8 | 3.5 |
| H861-58050 | 1.8 | 114 | 5.0 | 0.75 | 3.2 | 580 | 12.5 | 8 | 3.5 |
| H861-58027 | 1.8 | 114 | 2.7 | 2.0 | 11.5 | 580 | 12.5 | 8 | 3.5 |
| H861-64040 | 1.8 | 126 | 4.0 | 1.3 | 5.8 | 640 | 18.5 | 8 | 1.8 |
| H861-64050 | 1.8 | 126 | 5.0 | 0.85 | 3.4 | 640 | 18.5 | 8 | 1.8 |
| H861-64027 | 1.8 | 126 | 2.7 | 2.5 | 12.5 | 640 | 18.5 | 8 | 1.8 |
| H861-85040 | 1.8 | 150 | 4.0 | 1.4 | 9.2 | 850 | 24.5 | 8 | 4.2 |
| H861-85050 | 1.8 | 150 | 5.0 | 0.9 | 5.2 | 850 | 24.5 | 8 | 4.2 |
| H861-85027 | 1.8 | 150 | 2.7 | 2.9 | 17.5 | 850 | 24.5 | 8 | 4.2 |
| Вытащить кривую крутящего момента |
| МОДЕЛЬ: H861-22027 Текущий: 3.71a ВОЛЬТАЖ: 48 В/60 В Полный шаг МОДЕЛЬ: H861-30040 Текущий: 5.6a Напряжение: 48 V/60 VDC Полный шаг МОДЕЛЬ: H861-49050 Текущий: 6,0А Напряжение: 48 V/60 VDC Полный шаг МОДЕЛЬ: H861-64050 Текущий: 6,0А Напряжение: 48 V/60 VDC Полный шаг МОДЕЛЬ: H601-26042 Ток: 4.2a Напряжение: 24 V/36 VDC Полный шаг |
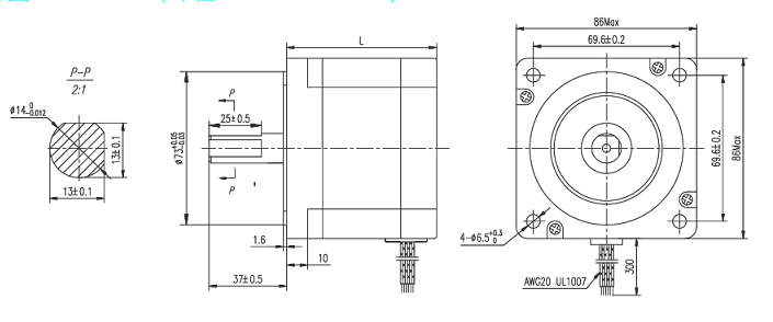
| Механические размеры |
![]() |
| Стандартная конфигурация Headwire |
![]() |
| Механические размеры |
![]() |
| Стандартная конфигурация Headwire |
![]() |
Пользовательский вал
Круглый, D-срезанный, перекрестный просверлен, ключ, нить или пустота

Особая длина, защитный шланг
Пользовательский вал
Круглый, D-срезанный, перекрестный просверлен, ключ, нить или пустота

Особая длина, защитный шланг