| штат: | |
|---|---|
| Количество: | |
D202A1 (20 мм)
I.CH
12 -миллиметровый двигатель постоянного тока интегрирован 12 -миллиметровый шестерни с от 1:10 до 1: 298. Это хорошее решение для применения с ограниченным пространством, но низкой скоростью и высоким крутящим моментом.
| Технические характеристики | |||||||||
| MODEL | НАПРЯЖЕНИЕ V | НЕТ ЗАГРУЗКИ | При максимальной эффективности | ЛАРЕК | |||||
| СКОРОСТЬ оборотный | ТЕКУЩИЙ магистр | СКОРОСТЬ оборотный | Крутящий момент кг | ТЕКУЩИЙ магистр | ВЫХОД МВт | Крутящий момент Кг | ТЕКУЩИЙ магистр | ||
| D202-002010 | 12.0 | 1300 | 100 | 1000 | 0.15 | 350 | 1500 | 0.8 | 1500 |
| D202-004025 | 6.0 | 270 | 140 | 200 | 0.35 | 450 | 750 | 1.5 | 1300 |
| D202-004062 | 12.0 | 140 | 60 | 100 | 0.4 | 200 | 410 | 2.5 | 500 |
| D202-010156 | 6.0 | 65 | 90 | 50 | 1.0 | 400 | 500 | 4.5 | 1300 |
| D202-012195 | 6.0 | 36 | 60 | 28 | 1.2 | 200 | 370 | 6.0 | 800 |
| D202-040312 | 4.8 | 24 | 150 | 16 | 4.0 | 670 | 650 | 8.0 | 1800 |
| D202-030488 | 6.0 | 15 | 80 | 12 | 3.0 | 290 | 370 | 8.0 | 900 |
| Передаточное число | |||||
| Количество этапов | 3 | 4 | 5 | 6 | 7 |
| Передаточное число i | 10 | 25 | 50 | 100 | 250 |
| 12.5 | 31.25 | 62.5 | 125 | 312.5 | |
| 78.1 | 156.25 | 390.6 | |||
| 195.3 | 488.3 | ||||
| Длина коробки передач L (мм) | 16.0 | 17.5 | 19.0 | 20.5 | |
12 -миллиметровый двигатель постоянного тока интегрирован 12 -миллиметровый шестерни с от 1:10 до 1: 298. Это хорошее решение для применения с ограниченным пространством, но низкой скоростью и высоким крутящим моментом.
| Технические характеристики | |||||||||
| MODEL | НАПРЯЖЕНИЕ V | НЕТ ЗАГРУЗКИ | При максимальной эффективности | ЛАРЕК | |||||
| СКОРОСТЬ оборотный | ТЕКУЩИЙ магистр | СКОРОСТЬ оборотный | Крутящий момент кг | ТЕКУЩИЙ магистр | ВЫХОД МВт | Крутящий момент Кг | ТЕКУЩИЙ магистр | ||
| D202-002010 | 12.0 | 1300 | 100 | 1000 | 0.15 | 350 | 1500 | 0.8 | 1500 |
| D202-004025 | 6.0 | 270 | 140 | 200 | 0.35 | 450 | 750 | 1.5 | 1300 |
| D202-004062 | 12.0 | 140 | 60 | 100 | 0.4 | 200 | 410 | 2.5 | 500 |
| D202-010156 | 6.0 | 65 | 90 | 50 | 1.0 | 400 | 500 | 4.5 | 1300 |
| D202-012195 | 6.0 | 36 | 60 | 28 | 1.2 | 200 | 370 | 6.0 | 800 |
| D202-040312 | 4.8 | 24 | 150 | 16 | 4.0 | 670 | 650 | 8.0 | 1800 |
| D202-030488 | 6.0 | 15 | 80 | 12 | 3.0 | 290 | 370 | 8.0 | 900 |
| Передаточное число | |||||
| Количество этапов | 3 | 4 | 5 | 6 | 7 |
| Передаточное число i | 10 | 25 | 50 | 100 | 250 |
| 12.5 | 31.25 | 62.5 | 125 | 312.5 | |
| 78.1 | 156.25 | 390.6 | |||
| 195.3 | 488.3 | ||||
| Длина коробки передач L (мм) | 16.0 | 17.5 | 19.0 | 20.5 | |
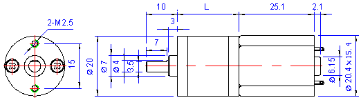
| Механические размеры |
![]() |
| Механические размеры |
![]() |
| Передаточное число | |||||
| Количество этапов | 3 | 4 | 5 | 6 | 7 |
| Передаточное число i | 10 | 25 | 50 | 100 | 250 |
| 12.5 | 31.25 | 62.5 | 125 | 312.5 | |
| 78.1 | 156.25 | 390.6 | |||
| 195.3 | 488.3 | ||||
| Длина коробки передач L (мм) | 16.0 | 17.5 | 19.0 | 20.5 | |
| Передаточное число | |||||
| Количество этапов | 3 | 4 | 5 | 6 | 7 |
| Передаточное число i | 10 | 25 | 50 | 100 | 250 |
| 12.5 | 31.25 | 62.5 | 125 | 312.5 | |
| 78.1 | 156.25 | 390.6 | |||
| 195.3 | 488.3 | ||||
| Длина коробки передач L (мм) | 16.0 | 17.5 | 19.0 | 20.5 | |
Фабрика способности
I.CH имеет комплексную систему управления компаниями, она была награждена сертификацией ISO9001: 2015 в 2016 году, имеет отличную техническую команду и группу квалифицированных сотрудников. I.CH может производить все виды DC Gear мотор AC Gear Двигатель, уменьшенный двигатель, коробка для редуктора, планетарный двигатель, планетарная коробка передач, колесо передач, шпионная коробка передач. Мы предоставляем полное решение для клиентов, включая конструкцию коробки передач трансмиссии, детали передач и дизайн литья и производителя, массовое производство деталей и сборка. 


Концентрированный детектор Ультразвуковой очиститель Центр тестирования передачи

Центр инспекции передачи Снаряжение Передача сантика
Преимущества
1. Быстрый ответ во времени;
2. Быстрая доставка по всему миру;
3. Опытная и профессиональная команда исследований и разработок предоставляет вам руководство.
Упаковка
-Ра, коробку или поддон;
-Поражение метода: воздушная доставка, морская доставка или экспресс;
Время отправки: 20-50 рабочих дней.


Часто задаваемые вопросы
В: Что такое передаточное число?
A: 1: 10 ~ 1: 488.
Q: Какой размер двигателя замыкает?
A: Этот размер двигателя в DC составляет 20 мм, но у нас есть другой вариант для вашей ссылки от 12 мм до 48 мм.
Q: Какова скорость для мотора с уменьшенным количеством 20 мм?
A: от 15 до 3000 об / мин, чем ниже скорость, тем больше крутящий момент.
В: Я хочу внести некоторые изменения в выходной вал, возможно ли это?
A: Да, мы можем сделать для вас настройку на выходном валу или в других местах.
Фабрика способности
I.CH имеет комплексную систему управления компаниями, она была награждена сертификацией ISO9001: 2015 в 2016 году, имеет отличную техническую команду и группу квалифицированных сотрудников. I.CH может производить все виды DC Gear мотор AC Gear Двигатель, уменьшенный двигатель, коробка для редуктора, планетарный двигатель, планетарная коробка передач, колесо передач, шпионная коробка передач. Мы предоставляем полное решение для клиентов, включая конструкцию коробки передач трансмиссии, детали передач и дизайн литья и производителя, массовое производство деталей и сборка. 


Концентрированный детектор Ультразвуковой очиститель Центр тестирования передачи

Центр инспекции передачи Снаряжение Передача сантика
Преимущества
1. Быстрый ответ во времени;
2. Быстрая доставка по всему миру;
3. Опытная и профессиональная команда исследований и разработок предоставляет вам руководство.
Упаковка
-Ра, коробку или поддон;
-Поражение метода: воздушная доставка, морская доставка или экспресс;
Время отправки: 20-50 рабочих дней.


Часто задаваемые вопросы
В: Что такое передаточное число?
A: 1: 10 ~ 1: 488.
Q: Какой размер двигателя замыкает?
A: Этот размер двигателя в DC составляет 20 мм, но у нас есть другой вариант для вашей ссылки от 12 мм до 48 мм.
Q: Какова скорость для мотора с уменьшенным количеством 20 мм?
A: от 15 до 3000 об / мин, чем ниже скорость, тем больше крутящий момент.
В: Я хочу внести некоторые изменения в выходной вал, возможно ли это?
A: Да, мы можем сделать для вас настройку на выходном валу или в других местах.