| штат: | |
|---|---|
| Количество: | |
S493 (49 мм)- 50/60 Гц
I.CH
49mm AC Synchonous Motor
49 -миллиметровый синхронный двигатель переменного тока - это компактное и эффективное устройство, используемое в различных приложениях. Диаметр 49 мм он идеально подходит для небольших машин и приборов. Синхронная природа двигателя гарантирует, что ротор вращается на той же частоте, что и применяемый ток, что приводит к синхронной скорости. Этот двигатель обычно встречается в таких устройствах, как портативные кондиционеры, небольшие вентиляторы, приводы клапанов и другие бытовые приборы. Его надежность, компактный дизайн и универсальность делают его популярным выбором в отрасли.
| Спецификация | ||||||||||
| Модель | Скорость выходной передачи (об / мин) | Выходной крутящий момент (кг. CM / LB.in) | Напряжение (v.ac) | Ток (а) | Частота (Гц) | Входная мощность (w) | Шум (дБ) | Ротация | ||
| S1 непрерывный | S2 15 минут | S2 5 минут | ||||||||
| S493-45-1.0 | 1.04 | 45/39 | 60 / 52,2 | 70/60,9 | 24 ********* 110 ********* 220 | <0,2 ********** <0,05 ********* <0,023 | 50/60 Гц | 2,5 ~ 7 | <45 | CW / CCW / BI-направление |
| S493-30-1,5 | 1.50 | 30/26 | 40 / 34,8 | 46/40 | ||||||
| S493-22-2.0 | 2 | 22/19 | 30/26 | 35 / 30,5 | ||||||
| S493-18-2.5 | 2.5 | 18 / 15,7 | 24 / 20,9 | 28 / 24.4 | ||||||
| S493-11-4.0 | 4 | 11/9.6 | 15/13 | 17,5 / 15.2 | ||||||
| S493-09-4.8 | 4.8 | 9.4 / 8.2 | 12.5 / 10.9 | 14.5 / 12.6 | ||||||
| S493-09-5.0 | 5 | 9 / 7,8 | 12 / 10.4 | 14/12.2 | ||||||
| S493-08-5,8 | 5.8 | 7.6 / 6.6 | 10 / 8.7 | 12 / 10.4 | ||||||
| S493-05-9.0 | 9 | 5 / 4.35 | 6,5 / 5,7 | 7,8 / 6,8 | ||||||
| S493-03-15 | 15 | 3/2,6 | 4 / 3,5 | 4.6 / 4 | ||||||
| S493-02-25 | 25 | 1,8 / 1,57 | 2.4 / 2.1 | 2.8 / 2.43 | ||||||
| S493-02-30 | 30 | 1,5 / 1,3 | 2 / 1,74 | 2.3 / 2 | ||||||
| S493-01-45 | 45 | 1 / 0,87 | 1.3 / 1.13 | 1,5 / 1,3 | ||||||
| S493-01-60 | 60 | 0.75 | 1 / 0,87 | 1.2 / 1.04 | ||||||
| S493-01-75 | 75 | 0.6 | 0,8 / 0,7 | 1,0 / 0,87 | ||||||
| Примечание. Выше наборы от двигателей до 50 Гц. Если меньше 60 Гц, скорость*1,2, крутящий момент/1,2. Другая необходимая скорость и крутящий момент, пожалуйста, свяжитесь с нашим отделом продажи | ||||||||||
| Безопасность | |
| Устойчивость к изоляции | DC 500 В 100 м ом |
| Сила изоляции | AC1500V, 50 Гц/мин (двигатель 220 В) |
| Изоляционная класс | E (105 ℃ ) / b (130 ℃ ) |
| Среда | Temp.-10 ℃ ~+40 ℃ / влажность: <85 |
| Сертификация | CE ROHS CCC |
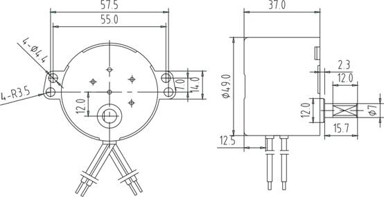
| Механические размеры |
![]() |
Пользовательский вал
круглый вал , D-Cut Sahft , H-вырезанный вал , Пользовательская длина
Полный данных S493.pdf
Заводская способность
I.CH Motion была создана в 2006 году. Мы сосредоточены на двигателях AC для бытовых и промышленных электрических приборов. В настоящее время у нас есть профессиональные микромоторные фабрики, расположенные в провинции Цзянсу. После годов разработки мы создали отличную репутацию на зарубежном рынке.
Преимущества
1. Нет MOQ Limited;
2. Короткое время заказа;
3. Быстрый ответ во времени;
Пакет
-cartons, панель паллетов;
-Са доставка или воздушная доставка;
-Подажа: от 3 до 8 недель. 

FAQ
Q: Какая скорость для двигателя переменного тока 49 мм?
A: Обычно мы производим скорость 49 -миллиметрового синхронного двигателя переменного тока от 1 об / мин до 75 об / мин, это зависит от вашего запроса, мы также можем настроить скорость.
Q: Где можно использовать синхронный двигатель?
A: Его можно использовать в двигателе с электрическими приборами по домохозяйствам, таким как контроль водяного клапана.
В: Могу ли я сначала получить образцы для тестирования?
A: Да, определенно вы можете. Вы можете заказать прототипы для эксперимента, а наш MOQ для партийного порядка составляет 1000 шт.