| штат: | |
|---|---|
| Количество: | |
D252A2 (25 мм)
I.CH
Малый мотор-редуктор диаметром 25 мм оснащен цилиндрическим редуктором диаметром 25 мм с передаточным числом от 1:10 до 1:498. Это хорошее решение для приложений с ограниченным пространством, но с низкой скоростью и высоким крутящим моментом.
Спецификация мотора 25 мм. | |||||||||
| MODEL | Напряжение V. | Нет нагрузки | При максимальной эффективности | ЛАРЕК | |||||
| Скорость оборотов | Текущий ма | Скорость оборотов | Крутящий момент кг.cm | Текущий ма | Выход MW | Крутящий момент кг.cm | Текущий ма | ||
| D252-001021 | 3.0 | 150 | 50 | 120 | 0.1 | 150 | 120 | 0.5 | 500 |
| D252-001036 | 3.0 | 70 | 50 | 55 | 0.14 | 100 | 80 | 0.8 | 400 |
| D252-003103 | 6.0 | 40 | 30 | 30 | 0.3 | 70 | 100 | 2.0 | 300 |
| D252-006172 | 6.0 | 30 | 70 | 25 | 0.6 | 180 | 160 | 6.0 | 800 |
| D252-008226 | 6.0 | 24 | 70 | 19 | 0.8 | 180 | 160 | 7.5 | 800 |
| D252-020500 | 6.0 | 9 | 40 | 7 | 2.0 | 100 | 140 | 15.0 | 700 |
| Передаточное число | ||||||
| Количество этапов | 3 | 4 | 5 | 6 | 7 | 8 |
| Передаточное число я | 9.7 | 16.1 | 26.9 | 59.2 | 130.1 | 286.3 |
| 12.5 | 21.3 | 35.5 | 78.1 | 171.8 | 377.9 | |
| 46.9 | 103.1 | 226.8 | 498.9 | |||
| Длина коробки передач L (мм) | 19.0 | 21.0 | 23.0 | 25.0 | 27.0 | |
Малый мотор-редуктор диаметром 25 мм оснащен цилиндрическим редуктором диаметром 25 мм с передаточным числом от 1:10 до 1:498. Это хорошее решение для приложений с ограниченным пространством, но с низкой скоростью и высоким крутящим моментом.
Спецификация мотора 25 мм. | |||||||||
| MODEL | Напряжение V. | Нет нагрузки | При максимальной эффективности | ЛАРЕК | |||||
| Скорость оборотов | Текущий ма | Скорость оборотов | Крутящий момент кг.cm | Текущий ма | Выход MW | Крутящий момент кг.cm | Текущий ма | ||
| D252-001021 | 3.0 | 150 | 50 | 120 | 0.1 | 150 | 120 | 0.5 | 500 |
| D252-001036 | 3.0 | 70 | 50 | 55 | 0.14 | 100 | 80 | 0.8 | 400 |
| D252-003103 | 6.0 | 40 | 30 | 30 | 0.3 | 70 | 100 | 2.0 | 300 |
| D252-006172 | 6.0 | 30 | 70 | 25 | 0.6 | 180 | 160 | 6.0 | 800 |
| D252-008226 | 6.0 | 24 | 70 | 19 | 0.8 | 180 | 160 | 7.5 | 800 |
| D252-020500 | 6.0 | 9 | 40 | 7 | 2.0 | 100 | 140 | 15.0 | 700 |
| Передаточное число | ||||||
| Количество этапов | 3 | 4 | 5 | 6 | 7 | 8 |
| Передаточное число я | 9.7 | 16.1 | 26.9 | 59.2 | 130.1 | 286.3 |
| 12.5 | 21.3 | 35.5 | 78.1 | 171.8 | 377.9 | |
| 46.9 | 103.1 | 226.8 | 498.9 | |||
| Длина коробки передач L (мм) | 19.0 | 21.0 | 23.0 | 25.0 | 27.0 | |
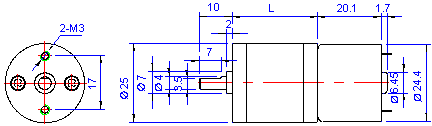
| Механические размеры для двигателя на 25 мм. |
![]() |
| Механические размеры для двигателя на 25 мм. |
![]() |
Энкодер
Двигатель 25 мм DC может быть оснащен различными параметрами энкодера, чтобы удовлетворить точные требования к управлению положением и скоростью. Доступные типы энкодеров включают инкрементальный, эффект зала и магнитные кодеры, предлагающие различные разрешения и возможности обратной связи. Пользовательские конфигурации энкодера обеспечивают оптимальную производительность для конкретных приложений при сохранении компактного форм -фактора двигателя.
Схватить
Двигатель 25 мм DC предлагает настраиваемые параметры сцепления для защиты от условий перегрузки и обеспечения плавного взаимодействия/отключения. Доступные как в механических, так и в электромагнитных конструкциях, эти сцепления могут быть адаптированы к конкретным требованиям крутящего момента. Интеграция обеспечивает надежную работу при защите как двигателя, так и подключенного механизма.
Соотношение коробки передач
| Передаточное число | ||||||
| Количество этапов | 3 | 4 | 5 | 6 | 7 | 8 |
| Передаточное число я | 9.7 | 16.1 | 26.9 | 59.2 | 130.1 | 286.3 |
| 12.5 | 21.3 | 35.5 | 78.1 | 171.8 | 377.9 | |
| 46.9 | 103.1 | 226.8 | 498.9 | |||
| Длина коробки передач L (мм) | 19.0 | 21.0 | 23.0 | 25.0 | 27.0 | |
Мотор
25 -миллиметровая серия двигателей с замыканием предлагает три настраиваемых типа двигателей: щетка DC, бесщеточный DC и шаговые двигатели. Каждый вариант предоставляет четкие преимущества: моторы кисти для экономически эффективной простоты, бесщеточные двигатели для повышения эффективности и срока службы, а также шаговые двигатели для точного позиционирования. Все варианты поддерживают компактный форм -фактор 25 мм.
Смазать мотор
Бесщеточный мотор
Шаговый мотор
Вал
Двигатель 25 мм в DC имеет три вала для оптимальной связи: D-вырезанный вал для безопасной трансмиссии крутящего момента, вал H-вырезания для повышения производительности против скольжения и круглый вал для стандартных применений. Каждый тип вала имеет точность, чтобы обеспечить надежную передачу мощности и совместимость с различными механизмами связи.
D-Cut Wans
H-CUT WAFT
Rround стержень
Энкодер
Двигатель 25 мм DC может быть оснащен различными параметрами энкодера, чтобы удовлетворить точные требования к управлению положением и скоростью. Доступные типы энкодеров включают инкрементальный, эффект зала и магнитные кодеры, предлагающие различные разрешения и возможности обратной связи. Пользовательские конфигурации энкодера обеспечивают оптимальную производительность для конкретных приложений при сохранении компактного форм -фактора двигателя.
Схватить
Двигатель 25 мм DC предлагает настраиваемые параметры сцепления для защиты от условий перегрузки и обеспечения плавного взаимодействия/отключения. Доступные как в механических, так и в электромагнитных конструкциях, эти сцепления могут быть адаптированы к конкретным требованиям крутящего момента. Интеграция обеспечивает надежную работу при защите как двигателя, так и подключенного механизма.
Соотношение коробки передач
| Передаточное число | ||||||
| Количество этапов | 3 | 4 | 5 | 6 | 7 | 8 |
| Передаточное число я | 9.7 | 16.1 | 26.9 | 59.2 | 130.1 | 286.3 |
| 12.5 | 21.3 | 35.5 | 78.1 | 171.8 | 377.9 | |
| 46.9 | 103.1 | 226.8 | 498.9 | |||
| Длина коробки передач L (мм) | 19.0 | 21.0 | 23.0 | 25.0 | 27.0 | |
Мотор
25 -миллиметровая серия двигателей с замыканием предлагает три настраиваемых типа двигателей: щетка DC, бесщеточный DC и шаговые двигатели. Каждый вариант предоставляет четкие преимущества: моторы кисти для экономически эффективной простоты, бесщеточные двигатели для повышения эффективности и срока службы, а также шаговые двигатели для точного позиционирования. Все варианты поддерживают компактный форм -фактор 25 мм.
Смазать мотор
Бесщеточный мотор
Шаговый мотор
Вал
Двигатель 25 мм в DC имеет три вала для оптимальной связи: D-вырезанный вал для безопасной трансмиссии крутящего момента, вал H-вырезания для повышения производительности против скольжения и круглый вал для стандартных применений. Каждый тип вала имеет точность, чтобы обеспечить надежную передачу мощности и совместимость с различными механизмами связи.
D-Cut Wans
H-CUT WAFT
Rround стержень
Полное техническое описание 
Полное техническое описание 
Фабрика способности
I.CH имеет комплексную систему управления компаниями, была присуждена сертификации ISO9001: 2015 в 2016 году, имеет отличную техническую команду и группу квалифицированных сотрудников. Мы поставляем DC Gear , двигатель двигатель AC , уменьшенный двигатель, коробку для редуктора, планетарный двигатель, планетарная коробка передач, колесо передач, шпоровую коробку передач. Мы предоставляем полное решение для клиентов, включая проектирование коробки передач передачи передачи, мы также предоставляем OEM и ODM -сервис.



Концентрирование детектор Ультразвуковой очиститель Центр 

проверки передачи Центр Шечата
Преимущества
1. Мы предлагаем услуги OEM;
2. CE, Rohs, IS09001 ... отчет о сертификате;
3. Надежный поставщик, прямое производство 8 лет.
Упаковка
-cartons;
-Поража: воздух, судно и курьер;
-Длевинка: от 10 до 45 дней.


Часто задаваемые вопросы
Q: Я хочу, чтобы вал был двойной плоской плоским мотором, вы можете сделать это?
A: Да, мы можем.
В: Как выбрать правильную коробку передач?
A: Это зависит от необходимого вам необходимого передачи, если вам нужен большой крутящий момент, вы выберете большое соотношение.
В: Могу ли я добавить энкодер?
A: Да, мы можем добавить энкодер в мотор, пожалуйста, сообщите нам о своей спецификации энкодера.
Фабрика способности
I.CH имеет комплексную систему управления компаниями, была присуждена сертификации ISO9001: 2015 в 2016 году, имеет отличную техническую команду и группу квалифицированных сотрудников. Мы поставляем DC Gear , двигатель двигатель AC , уменьшенный двигатель, коробку для редуктора, планетарный двигатель, планетарная коробка передач, колесо передач, шпоровую коробку передач. Мы предоставляем полное решение для клиентов, включая проектирование коробки передач передачи передачи, мы также предоставляем OEM и ODM -сервис.



Концентрирование детектор Ультразвуковой очиститель Центр 

проверки передачи Центр Шечата
Преимущества
1. Мы предлагаем услуги OEM;
2. CE, Rohs, IS09001 ... отчет о сертификате;
3. Надежный поставщик, прямое производство 8 лет.
Упаковка
-cartons;
-Поража: воздух, судно и курьер;
-Длевинка: от 10 до 45 дней.


Часто задаваемые вопросы
Q: Я хочу, чтобы вал был двойной плоской плоским мотором, вы можете сделать это?
A: Да, мы можем.
В: Как выбрать правильную коробку передач?
A: Это зависит от необходимого вам необходимого передачи, если вам нужен большой крутящий момент, вы выберете большое соотношение.
В: Могу ли я добавить энкодер?
A: Да, мы можем добавить энкодер в мотор, пожалуйста, сообщите нам о своей спецификации энкодера.