| штат: | |
|---|---|
| Количество: | |
D252A1 (25 мм)
I.CH
25 -миллиметровый двигатель постоянного тока интегрирован 25 -мм шестерни с от 1:10 до 1: 498 передаточное число. Это хорошее решение для применения с ограниченным пространством, но низкой скоростью и высоким крутящим моментом.
| Технические характеристики | |||||||||
| MODEL | НАПРЯЖЕНИЕ V | НЕТ ЗАГРУЗКИ | При максимальной эффективности | ЛАРЕК | |||||
| СКОРОСТЬ оборотный | ТЕКУЩИЙ магистр | СКОРОСТЬ оборотный | Крутящий момент Кг | ТЕКУЩИЙ магистр | ВЫХОД МВт | Крутящий момент Кг | ТЕКУЩИЙ магистр | ||
| D252-003103 | 6.0 | 65 | 80 | 50 | 0.25 | 160 | 130 | 1.5 | 600 |
| D252-007226 | 3.0 | 15 | 40 | 12 | 0.65 | 90 | 80 | 3.5 | 350 |
| D252-005226 | 6.0 | 30 | 80 | 24 | 0.5 | 160 | 120 | 6.5 | 600 |
| D252-017500 | 3.0 | 5 | 30 | 4 | 1.7 | 60 | 70 | 4.5 | 300 |
| Передаточное число | ||||||
| Количество этапов | 3 | 4 | 5 | 6 | 7 | 8 |
| Передаточное число i | 9.7 | 16.1 | 26.9 | 59.2 | 130.1 | 286.3 |
| 12.5 | 21.3 | 35.5 | 78.1 | 171.8 | 377.9 | |
| 46.9 | 103.1 | 226.8 | 498.9 | |||
| Длина коробки передач L (мм) | 19.0 | 21.0 | 23.0 | 25.0 | 27.0 | |
25 -миллиметровый двигатель постоянного тока интегрирован 25 -мм шестерни с от 1:10 до 1: 498 передаточное число. Это хорошее решение для применения с ограниченным пространством, но низкой скоростью и высоким крутящим моментом.
| Технические характеристики | |||||||||
| MODEL | НАПРЯЖЕНИЕ V | НЕТ ЗАГРУЗКИ | При максимальной эффективности | ЛАРЕК | |||||
| СКОРОСТЬ оборотный | ТЕКУЩИЙ магистр | СКОРОСТЬ оборотный | Крутящий момент Кг | ТЕКУЩИЙ магистр | ВЫХОД МВт | Крутящий момент Кг | ТЕКУЩИЙ магистр | ||
| D252-003103 | 6.0 | 65 | 80 | 50 | 0.25 | 160 | 130 | 1.5 | 600 |
| D252-007226 | 3.0 | 15 | 40 | 12 | 0.65 | 90 | 80 | 3.5 | 350 |
| D252-005226 | 6.0 | 30 | 80 | 24 | 0.5 | 160 | 120 | 6.5 | 600 |
| D252-017500 | 3.0 | 5 | 30 | 4 | 1.7 | 60 | 70 | 4.5 | 300 |
| Передаточное число | ||||||
| Количество этапов | 3 | 4 | 5 | 6 | 7 | 8 |
| Передаточное число i | 9.7 | 16.1 | 26.9 | 59.2 | 130.1 | 286.3 |
| 12.5 | 21.3 | 35.5 | 78.1 | 171.8 | 377.9 | |
| 46.9 | 103.1 | 226.8 | 498.9 | |||
| Длина коробки передач L (мм) | 19.0 | 21.0 | 23.0 | 25.0 | 27.0 | |
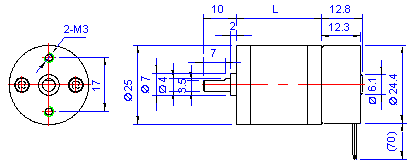
| Механические размеры |
![]() |
| Механические размеры |
![]() |
| Передаточное число | ||||||
| Количество этапов | 3 | 4 | 5 | 6 | 7 | 8 |
| Передаточное число i | 9.7 | 16.1 | 26.9 | 59.2 | 130.1 | 286.3 |
| 12.5 | 21.3 | 35.5 | 78.1 | 171.8 | 377.9 | |
| 46.9 | 103.1 | 226.8 | 498.9 | |||
| Длина коробки передач L (мм) | 19.0 | 21.0 | 23.0 | 25.0 | 27.0 | |
| Передаточное число | ||||||
| Количество этапов | 3 | 4 | 5 | 6 | 7 | 8 |
| Передаточное число i | 9.7 | 16.1 | 26.9 | 59.2 | 130.1 | 286.3 |
| 12.5 | 21.3 | 35.5 | 78.1 | 171.8 | 377.9 | |
| 46.9 | 103.1 | 226.8 | 498.9 | |||
| Длина коробки передач L (мм) | 19.0 | 21.0 | 23.0 | 25.0 | 27.0 | |
Фабрика способности
I.CH Motion начиналась как торговая компания в 2006 году после накопления десятка лет опыта, теперь у нас есть собственная фабрика и команда P & R. I.CH может производить все виды DC Gear мотор AC Gear Мотор, уменьшенный двигатель, коробка для редуктора, планетарная передача, планетарная коробка передач, колесо передач, шестерни, они широко используются в индустрии торговых автоматов, планета и кофеварки и т. Д.


Концентрированный детектор Ультразвуковой очиститель Центр тестирования передачи

Центр инспекции передачи Снаряжение Передача сантика
Преимущества
1 100% проверка продукции перед доставкой;
2 Талантливая команда инженеров, предоставляющих инновационные технические решения;
3 Индивидуальные продукты приветствуются.
Упаковка
-Попак в коробки и завернутый фильмом;
-Оинделение веса товаров перед доставкой и рекомендуйте лучший метод доставки;
-Время для прототипа составляет 2-4 недели, время выполнения заказа на партии составляет от 4 до 8 недель.

Часто задаваемые вопросы
Q: Какой тип коробки передач 25 мм постоянного тока DC с уменьшенным двигателем?
A: Это шпора.
В: Есть ли возможность сделать выходной вал в соответствии с моей идеей?
A: Да, мы предоставляем индивидуальную службу выходного вала.
В: Можете ли вы сделать этот уменьшенный мотор 12 В?
A: Да, мы можем.
Фабрика способности
I.CH Motion начиналась как торговая компания в 2006 году после накопления десятка лет опыта, теперь у нас есть собственная фабрика и команда P & R. I.CH может производить все виды DC Gear мотор AC Gear Мотор, уменьшенный двигатель, коробка для редуктора, планетарная передача, планетарная коробка передач, колесо передач, шестерни, они широко используются в индустрии торговых автоматов, планета и кофеварки и т. Д.


Концентрированный детектор Ультразвуковой очиститель Центр тестирования передачи

Центр инспекции передачи Снаряжение Передача сантика
Преимущества
1 100% проверка продукции перед доставкой;
2 Талантливая команда инженеров, предоставляющих инновационные технические решения;
3 Индивидуальные продукты приветствуются.
Упаковка
-Попак в коробки и завернутый фильмом;
-Оинделение веса товаров перед доставкой и рекомендуйте лучший метод доставки;
-Время для прототипа составляет 2-4 недели, время выполнения заказа на партии составляет от 4 до 8 недель.

Часто задаваемые вопросы
Q: Какой тип коробки передач 25 мм постоянного тока DC с уменьшенным двигателем?
A: Это шпора.
В: Есть ли возможность сделать выходной вал в соответствии с моей идеей?
A: Да, мы предоставляем индивидуальную службу выходного вала.
В: Можете ли вы сделать этот уменьшенный мотор 12 В?
A: Да, мы можем.