| штат: | |
|---|---|
| Количество: | |
DS332
I.CH
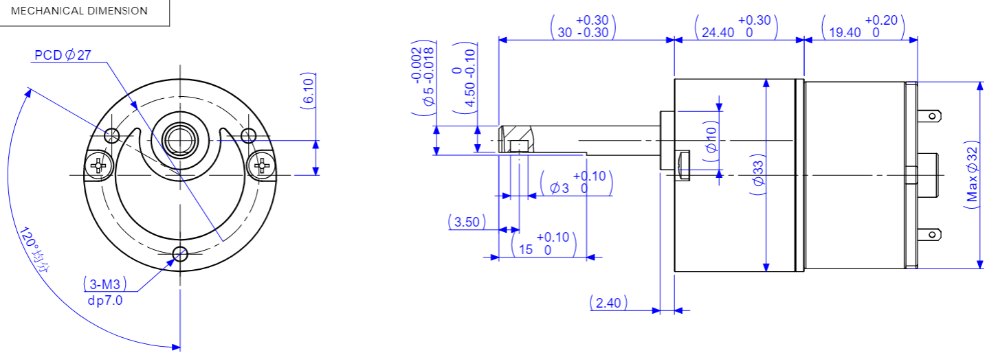
33mm DC Gear Motor
Двигатель DC Gear, а именно двигатель для редуктора, использует передачу входного вала, чтобы скрепить передачу выходного вала, чтобы реализовать цель снижения скорости. Функция коробки передач состоит в том, чтобы обеспечить относительно медленную скорость и относительно высокий крутящий момент.
Электродвигатель DC DC 3 3мм с Spur Bearbox - это еще один основной двигатель передачи, который продвигает I.CH. Если у вас есть особые потребности, мы можем на заказ. Между тем, большие размеры могут выбрать.
Спецификация коробки передач
Количество | 2 | 3 | 4 | 5 | 6 | 7 |
Сокращение ratio | 10 | 20 | 50 | 150 | 300 | 750 |
30 | 60 | 180 | 350 | 900 | ||
70 | 210 | 450 | 1050 | |||
90 | 270 | 630 | 1350 | |||
Длина коробки передач (мм) | 19.0 | 21.5 | 24.0 | 26.5 | 29.0 | 31.5 |
Спецификация двигателя двигателя постоянного тока
Модель | Рейтинг Напряжение (V) | Рейтинг T orque ( Kg.cm ) | Рейтинг с (RPM) | Оценка C Urrent (MA) | Выход Власть (MW) | Крутящий момент в киоске (Кг.чм) | Ток в киоске (MA) | Нет Скорость (RPM) | Нет Текущий (MA) |
D3 32-018050 | 24.0 | 1.8 | 145 | 220 | 3000 | 10.0 | 1000 | 180 | 50 |
D3 32-090490 | 24.0 | 9.0 | 11 | 100 | 1200 | 40.0 | 700 | 12 | 45 |
D3 32-050270 | 12.0 | 5.0 | 9 | 100 | 500 | 30.0 | 400 | 11 | 25 |
D3 32-0 18070A | 12.0 | 1.8 | 48 | 150 | 1000 | 10.0 | 600 | 60 | 50 |
D3 32-0 18070b | 12.0 | 1.8 | 80 | 320 | 1600 | 12.0 | 2000 | 96 | 100 |
D3 32-013030 | 12.0 | 13 | 230 | 600 | 3500 | 8.0 | 2600 | 280 | 100 |
D3 32-013050 | 6.0 | 13 | 125 | 850 | 1900 | 8.0 | 3500 | 152 | 170 |
D3 32-030090 | 12.0 | 3.0 | 48 | 320 | 2000 | 18.0 | 1500 | 60 | 50 |
D3 32-018050 | 24.0 | 1.8 | 100 | 150 | 2100 | 10.0 | 700 | 125 | 45 |
Двигатель DC Gear, а именно двигатель для редуктора, использует передачу входного вала, чтобы скрепить передачу выходного вала, чтобы реализовать цель снижения скорости. Функция коробки передач состоит в том, чтобы обеспечить относительно медленную скорость и относительно высокий крутящий момент.
Электродвигатель DC DC 3 3мм с Spur Bearbox - это еще один основной двигатель передачи, который продвигает I.CH. Если у вас есть особые потребности, мы можем на заказ. Между тем, большие размеры могут выбрать.
Спецификация коробки передач
Количество | 2 | 3 | 4 | 5 | 6 | 7 |
Сокращение ratio | 10 | 20 | 50 | 150 | 300 | 750 |
30 | 60 | 180 | 350 | 900 | ||
70 | 210 | 450 | 1050 | |||
90 | 270 | 630 | 1350 | |||
Длина коробки передач (мм) | 19.0 | 21.5 | 24.0 | 26.5 | 29.0 | 31.5 |
Спецификация двигателя двигателя постоянного тока
Модель | Рейтинг Напряжение (V) | Рейтинг T orque ( Kg.cm ) | Рейтинг с (RPM) | Оценка C Urrent (MA) | Выход Власть (MW) | Крутящий момент в киоске (Кг.чм) | Ток в киоске (MA) | Нет Скорость (RPM) | Нет Текущий (MA) |
D3 32-018050 | 24.0 | 1.8 | 145 | 220 | 3000 | 10.0 | 1000 | 180 | 50 |
D3 32-090490 | 24.0 | 9.0 | 11 | 100 | 1200 | 40.0 | 700 | 12 | 45 |
D3 32-050270 | 12.0 | 5.0 | 9 | 100 | 500 | 30.0 | 400 | 11 | 25 |
D3 32-0 18070A | 12.0 | 1.8 | 48 | 150 | 1000 | 10.0 | 600 | 60 | 50 |
D3 32-0 18070b | 12.0 | 1.8 | 80 | 320 | 1600 | 12.0 | 2000 | 96 | 100 |
D3 32-013030 | 12.0 | 13 | 230 | 600 | 3500 | 8.0 | 2600 | 280 | 100 |
D3 32-013050 | 6.0 | 13 | 125 | 850 | 1900 | 8.0 | 3500 | 152 | 170 |
D3 32-030090 | 12.0 | 3.0 | 48 | 320 | 2000 | 18.0 | 1500 | 60 | 50 |
D3 32-018050 | 24.0 | 1.8 | 100 | 150 | 2100 | 10.0 | 700 | 125 | 45 |