| штат: | |
|---|---|
| Количество: | |
Д372Б2
I.CH
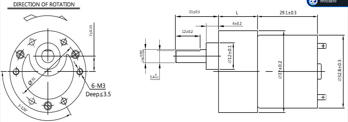
37mm DC Gear Motor
Описание
Для мотор-редуктора постоянного тока диаметром 37 мм решение, которое принимает компания I.CH, — это унификация двигателя постоянного тока и цилиндрического редуктора.Что примечательно, так это то, что продуманная конструкция обеспечивает высокую эффективность и низкий уровень шума.
Если у вас есть особые потребности, мы можем предоставить индивидуальное обслуживание.
Преимущество
1. Пластиковую или металлическую шестерню можно выбрать.
2, простота установки
3, коэффициент постоянной скорости предложения
Технические характеристики коробки передач
Количество этапов | 2 | 3 | 4 | 5 | 6 | 7 |
Коэффициент уменьшения | 10 | 20 | 50 | 150 | 300 | 750 |
30 | 60 | 180 | 350 | 900 | ||
70 | 210 | 450 | 1050 | |||
90 | 270 | 630 | 1350 | |||
Длина коробки передач (мм) | 19.0 | 21.5 | 24.0 | 26.5 | 29.0 | 31.5 |
ОКРУГ КОЛУМБИЯ Мотор + Коробка передач Технические характеристики
Модель | Номинальное напряжение (В) | Номинальный крутящий момент (кг.см) | Номинальная скорость (об/мин) | Номинальный ток (мА) | Выход Власть (мВт) | Крутящий момент при остановке (Кг.см) | Ток в стойле (мА) | Нет загрузки Скорость (об/мин) | Нет загрузки Текущий (мА) |
Д372-005010 | 24.0 | 0.5 | 660 | 250 | 3500 | 3.0 | 600 | 780 | 50 |
Д372-080270 | 24.0 | 8.0 | 18 | 150 | 1500 | 60.0 | 800 | 20 | 50 |
Д372-050270 | 24.0 | 5.0 | 10 | 80 | 500 | 40.0 | 500 | 11 | 40 |
Д372-090150 | 24.0 | 9.0 | 25 | 190 | 2300 | 28.0 | 700 | 32 | 50 |
Д372-010030 | 24.0 | 1.0 | 145 | 110 | 1500 | 9.0 | 700 | 165 | 50 |
Д372-020030 | 12.0 | 2.0 | 150 | 400 | 3100 | 8.0 | 1500 | 195 | 80 |
Д372-040090 | 12.0 | 4.0 | 52 | 400 | 3100 | 22.0 | 1500 | 65 | 70 |
Д372-090150 | 12.0 | 9.0 | 30 | 400 | 2700 | 25.0 | 1500 | 40 | 70 |
Д372-030070 | 12.0 | 3.0 | 82 | 400 | 2500 | 18.0 | 1900 | 100 | 90 |
* Спецификация Можно настроить по запросу. Контакт: sales@ichmo.com
Описание
Для мотор-редуктора постоянного тока диаметром 37 мм решение, которое принимает компания I.CH, — это унификация двигателя постоянного тока и цилиндрического редуктора.Что примечательно, так это то, что продуманная конструкция обеспечивает высокую эффективность и низкий уровень шума.
Если у вас есть особые потребности, мы можем предоставить индивидуальное обслуживание.
Преимущество
1. Пластиковую или металлическую шестерню можно выбрать.
2, простота установки
3, коэффициент постоянной скорости предложения
Технические характеристики коробки передач
Количество этапов | 2 | 3 | 4 | 5 | 6 | 7 |
Коэффициент уменьшения | 10 | 20 | 50 | 150 | 300 | 750 |
30 | 60 | 180 | 350 | 900 | ||
70 | 210 | 450 | 1050 | |||
90 | 270 | 630 | 1350 | |||
Длина коробки передач (мм) | 19.0 | 21.5 | 24.0 | 26.5 | 29.0 | 31.5 |
ОКРУГ КОЛУМБИЯ Мотор + Коробка передач Технические характеристики
Модель | Номинальное напряжение (В) | Номинальный крутящий момент (кг.см) | Номинальная скорость (об/мин) | Номинальный ток (мА) | Выход Власть (мВт) | Крутящий момент при остановке (Кг.см) | Ток в стойле (мА) | Нет загрузки Скорость (об/мин) | Нет загрузки Текущий (мА) |
Д372-005010 | 24.0 | 0.5 | 660 | 250 | 3500 | 3.0 | 600 | 780 | 50 |
Д372-080270 | 24.0 | 8.0 | 18 | 150 | 1500 | 60.0 | 800 | 20 | 50 |
Д372-050270 | 24.0 | 5.0 | 10 | 80 | 500 | 40.0 | 500 | 11 | 40 |
Д372-090150 | 24.0 | 9.0 | 25 | 190 | 2300 | 28.0 | 700 | 32 | 50 |
Д372-010030 | 24.0 | 1.0 | 145 | 110 | 1500 | 9.0 | 700 | 165 | 50 |
Д372-020030 | 12.0 | 2.0 | 150 | 400 | 3100 | 8.0 | 1500 | 195 | 80 |
Д372-040090 | 12.0 | 4.0 | 52 | 400 | 3100 | 22.0 | 1500 | 65 | 70 |
Д372-090150 | 12.0 | 9.0 | 30 | 400 | 2700 | 25.0 | 1500 | 40 | 70 |
Д372-030070 | 12.0 | 3.0 | 82 | 400 | 2500 | 18.0 | 1900 | 100 | 90 |
* Спецификация Можно настроить по запросу. Контакт: sales@ichmo.com