| штат: | |
|---|---|
| Количество: | |
D283-3A (28 мм)
I.CH
28 -миллиметровый планетарный двигатель интегрирован 28 -миллиметровая планетарная коробка передач с 1: 3,7 до 1: 1012 передаточное число. Это хорошее решение для применения с ограниченным пространством, но низким скоростью и высоким крутящим моментом.
Спецификация двигателя коробки передач
| Тип | Соотношение | 1: 3.7 | 1: 5 | 1:16 | 1:19 | 1:27 | 1:51 | 1:79 | 1: 100 | 1: 139 | 1: 190 | 1: 253 | 1: 305 | 1: 352 | 1: 408 | 1: 516 | 1: 596 | 1: 721 | 1: 1012 | |
| D283 | Оцененный крутящий момент | кг | 0.36 | 0.49 | 1.4 | 1.6 | 2.3 | 4 | 6 | 7.5 | 11 | 13 | 18 | 21 | 25 | 29 | 30 | 30 | 30 | 30 |
| Рейтинг скорости | rpm | 1830 | 1360 | 425 | 357 | 251 | 133 | 86 | 68 | 48 | 35 | 26 | 22 | 19 | 16 | 13 | 11.5 | 10 | 6.5 | |
| Коробка передач | Мгновенный крутящий момент | Кг | 10 | 20 | 30 | 40 | ||||||||||||||
| Допустимый крутящий момент | Кг | 5 | 10 | 20 | 30 | |||||||||||||||
| Длина | мм | 28 | 35 | 42 | 49 | |||||||||||||||
| Обратная реакция | O | 0.7 | 0.8 | 1 | 1 | |||||||||||||||
| Масса | g | 120 | 150 | 180 | 210 | |||||||||||||||
28 -миллиметровый планетарный двигатель интегрирован 28 -миллиметровая планетарная коробка передач с 1: 3,7 до 1: 1012 передаточное число. Это хорошее решение для применения с ограниченным пространством, но низким скоростью и высоким крутящим моментом.
Спецификация двигателя коробки передач
| Тип | Соотношение | 1: 3.7 | 1: 5 | 1:16 | 1:19 | 1:27 | 1:51 | 1:79 | 1: 100 | 1: 139 | 1: 190 | 1: 253 | 1: 305 | 1: 352 | 1: 408 | 1: 516 | 1: 596 | 1: 721 | 1: 1012 | |
| D283 | Оцененный крутящий момент | кг | 0.36 | 0.49 | 1.4 | 1.6 | 2.3 | 4 | 6 | 7.5 | 11 | 13 | 18 | 21 | 25 | 29 | 30 | 30 | 30 | 30 |
| Рейтинг скорости | rpm | 1830 | 1360 | 425 | 357 | 251 | 133 | 86 | 68 | 48 | 35 | 26 | 22 | 19 | 16 | 13 | 11.5 | 10 | 6.5 | |
| Коробка передач | Мгновенный крутящий момент | Кг | 10 | 20 | 30 | 40 | ||||||||||||||
| Допустимый крутящий момент | Кг | 5 | 10 | 20 | 30 | |||||||||||||||
| Длина | мм | 28 | 35 | 42 | 49 | |||||||||||||||
| Обратная реакция | O | 0.7 | 0.8 | 1 | 1 | |||||||||||||||
| Масса | g | 120 | 150 | 180 | 210 | |||||||||||||||
Моторные данные
| Кадры Volt (V) | Нет скорости дороги (обоюдно) | Noroad Current (MA) | Рейтинг круга (g.cm) | Raterd Speed (RPM) | Raterd Current (MA) | Выходная мощность (w) | Вес (г) |
| 3A7K8-24V | 7800 | 100 | 120 | 6800 | 495 | 8.25 | 102 |
| ПРИМЕЧАНИЕ. Напряжение продукта, размер выходного вала, электрические характеристики, вы можете запросить пользовательские изготовления! | |||||||
Моторные характеристики
Моторные данные
| Кадры Volt (V) | Нет скорости дороги (обоюдно) | Noroad Current (MA) | Рейтинг круга (g.cm) | Raterd Speed (RPM) | Raterd Current (MA) | Выходная мощность (w) | Вес (г) |
| 3A7K8-24V | 7800 | 100 | 120 | 6800 | 495 | 8.25 | 102 |
| ПРИМЕЧАНИЕ. Напряжение продукта, размер выходного вала, электрические характеристики, вы можете запросить пользовательские изготовления! | |||||||
Моторные характеристики
Энкодер
Схватить
Connector
Molex, Harwin, Tyco/Amp, JST и т. Д.
Мотор моторного
моторного мотора, бесщеточный мотор, шаговый
вал
D-вырезанный вал, H-Cut SAHFT, RROUND SAHFT
Энкодер
Схватить
Connector
Molex, Harwin, Tyco/Amp, JST и т. Д.
Мотор моторного
моторного мотора, бесщеточный мотор, шаговый
вал
D-вырезанный вал, H-Cut SAHFT, RROUND SAHFT
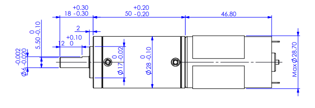
Механические размеры
![]() |
Механические размеры
![]() |