| штат: | |
|---|---|
| Количество: | |
Д252А3(25мм)
I.CH
25mm DC Gear Motor
Мотор-редуктор диаметром 25 мм, напряжением 12 В и высоким крутящим моментом оснащен цилиндрическим редуктором диаметром 25 мм с передаточным числом от 1:10 до 1:498. Этот 12-вольтовый мотор-редуктор с высоким крутящим моментом, специально разработанный для условий с ограниченным пространством, обеспечивает надежную работу на низких скоростях и высокий выходной крутящий момент, выступая в качестве высокопроизводительного решения для приложений, требующих компактных форм-факторов в сочетании со строгими требованиями к скорости и крутящему моменту.
Спецификация
| MODEL | Напряжение V. | Нет нагрузки | При максимальной эффективности | ЛАРЕК | |||||
| Скорость оборотов | Текущий ма | Скорость оборотов | Крутящий момент кг.cm | Текущий ма | Выход MW | Крутящий момент кг.cm | Текущий ма | ||
| Д252-012078 | 6.0 | 125 | 160 | 100 | 1.2 | 1000 | 1200 | 7.5 | 3000 |
| Д252-016103 | 12.0 | 85 | 100 | 65 | 1.6 | 400 | 1100 | 7.0 | 1500 |
| Д252-032226 | 12.0 | 38 | 100 | 30 | 3.2 | 500 | 1000 | 15.0 | 1500 |
| Д252-080226 | 12.0 | 64 | 200 | 50 | 8.0 | 600 | 4200 | 15.0 | 1500 |
| Д252-160500 | 12.0 | 30 | 200 | 24 | 16.0 | 550 | 4500 | 15.0 | 2000 |
| Д252-065500 | 12.0 | 17 | 100 | 14 | 6.5 | 500 | 1000 | 15.0 | 1500 |
| Передаточное число | ||||||
| Количество этапов | 3 | 4 | 5 | 6 | 7 | 8 |
| Передаточное число я | 9.7 | 16.1 | 26.9 | 59.2 | 130.1 | 286.3 |
| 12.5 | 21.3 | 35.5 | 78.1 | 171.8 | 377.9 | |
| 46.9 | 103.1 | 226.8 | 498.9 | |||
| Длина коробки передач L (мм) | 19.0 | 21.0 | 23.0 | 25.0 | 27.0 | |
Мотор-редуктор диаметром 25 мм, напряжением 12 В и высоким крутящим моментом оснащен цилиндрическим редуктором диаметром 25 мм с передаточным числом от 1:10 до 1:498. Этот 12-вольтовый мотор-редуктор с высоким крутящим моментом, специально разработанный для условий с ограниченным пространством, обеспечивает надежную работу на низких скоростях и высокий выходной крутящий момент, выступая в качестве высокопроизводительного решения для приложений, требующих компактных форм-факторов в сочетании со строгими требованиями к скорости и крутящему моменту.
Спецификация
| MODEL | Напряжение V. | Нет нагрузки | При максимальной эффективности | ЛАРЕК | |||||
| Скорость оборотов | Текущий ма | Скорость оборотов | Крутящий момент кг.cm | Текущий ма | Выход MW | Крутящий момент кг.cm | Текущий ма | ||
| Д252-012078 | 6.0 | 125 | 160 | 100 | 1.2 | 1000 | 1200 | 7.5 | 3000 |
| Д252-016103 | 12.0 | 85 | 100 | 65 | 1.6 | 400 | 1100 | 7.0 | 1500 |
| Д252-032226 | 12.0 | 38 | 100 | 30 | 3.2 | 500 | 1000 | 15.0 | 1500 |
| Д252-080226 | 12.0 | 64 | 200 | 50 | 8.0 | 600 | 4200 | 15.0 | 1500 |
| Д252-160500 | 12.0 | 30 | 200 | 24 | 16.0 | 550 | 4500 | 15.0 | 2000 |
| Д252-065500 | 12.0 | 17 | 100 | 14 | 6.5 | 500 | 1000 | 15.0 | 1500 |
| Передаточное число | ||||||
| Количество этапов | 3 | 4 | 5 | 6 | 7 | 8 |
| Передаточное число я | 9.7 | 16.1 | 26.9 | 59.2 | 130.1 | 286.3 |
| 12.5 | 21.3 | 35.5 | 78.1 | 171.8 | 377.9 | |
| 46.9 | 103.1 | 226.8 | 498.9 | |||
| Длина коробки передач L (мм) | 19.0 | 21.0 | 23.0 | 25.0 | 27.0 | |
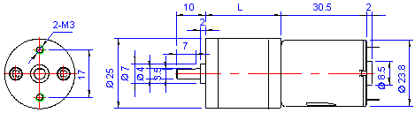
Механические размеры
Механические размеры
Мотор
энкодера
Щетка двигателя, бесщеточный двигатель, шаговый
вал
D-вырезанный вал, H-Cut Sahft, RROUND SAHFT
Мотор
энкодера
Щетка двигателя, бесщеточный двигатель, шаговый
вал
D-вырезанный вал, H-Cut Sahft, RROUND SAHFT
Фабрика способности
Клиенты I.CH находятся по всему миру, в основном в США, ЕС, Южной Корее и других странах. ICH предоставляет OEM и ODM многим известным компаниям. Мы тепло приветствуем конечных пользователей и агентов, чтобы они сделали нам запрос. Мы хотели бы наладить широкое сотрудничество с нашими уважаемыми клиентами. В основном мы производим коллекторные двигатели постоянного тока, бесщеточные двигатели постоянного тока, мотор-редукторы постоянного тока, планетарные мотор-редукторы постоянного тока, мотор-редукторы переменного тока, коробки передач, детали коробки передач, планетарные коробки передач, зубчатые штифты, шаговые коробки передач и т. д.



Концентрирование детектор Ультразвуковой очиститель Центр 

проверки передачи Центр Шечата
Преимущества
1. Предоставляем дизайнерские услуги;
2. Обеспечить послепродажную поддержку;
3. Предоставьте проектное решение.
Упаковка
-Упаковка с коробкой и чехлом;
-Рекомендуется воздушная или морская доставка;
-Доставка от 20 до 50 дней.


Часто задаваемые вопросы
Вопрос: Какой тип коробки передач?
A: Это цилиндрическая коробка передач.
Вопрос: Каково применение мотор-редуктора?
A: Автоматический двигатель оконной шторы, двигатель санитарного оборудования, двигатель электронного игрового автомата.
Вопрос: В чем преимущество мотор-редуктора постоянного тока?
A: Его размер небольшой, но с низкой скоростью и чрезвычайно высоким крутящим моментом.
Фабрика способности
Клиенты I.CH находятся по всему миру, в основном в США, ЕС, Южной Корее и других странах. ICH предоставляет OEM и ODM многим известным компаниям. Мы тепло приветствуем конечных пользователей и агентов, чтобы они сделали нам запрос. Мы хотели бы наладить широкое сотрудничество с нашими уважаемыми клиентами. В основном мы производим коллекторные двигатели постоянного тока, бесщеточные двигатели постоянного тока, мотор-редукторы постоянного тока, планетарные мотор-редукторы постоянного тока, мотор-редукторы переменного тока, коробки передач, детали коробки передач, планетарные коробки передач, зубчатые штифты, шаговые коробки передач и т. д.



Концентрирование детектор Ультразвуковой очиститель Центр 

проверки передачи Центр Шечата
Преимущества
1. Предоставляем дизайнерские услуги;
2. Обеспечить послепродажную поддержку;
3. Предоставьте проектное решение.
Упаковка
-Упаковка с коробкой и чехлом;
-Рекомендуется воздушная или морская доставка;
-Доставка от 20 до 50 дней.


Часто задаваемые вопросы
Вопрос: Какой тип коробки передач?
A: Это цилиндрическая коробка передач.
Вопрос: Каково применение мотор-редуктора?
A: Автоматический двигатель оконной шторы, двигатель санитарного оборудования, двигатель электронного игрового автомата.
Вопрос: В чем преимущество мотор-редуктора постоянного тока?
A: Его размер небольшой, но с низкой скоростью и чрезвычайно высоким крутящим моментом.