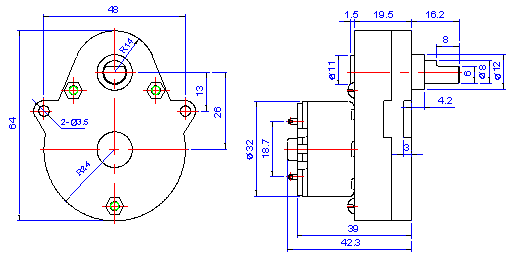
Редукторный двигатель постоянного тока диаметром 32 мм оснащен цилиндрическим редуктором диаметром 48 мм с передаточным числом от 1:10 до 1 : 2700. Этот недорогой электродвигатель-редуктор, специально разработанный для сценариев с ограниченным пространством , обеспечивает стабильную работу на низких скоростях и надежный выходной сигнал с высоким крутящим моментом , выступая в качестве надежного высокопроизводительного решения для приложений , требующих компактной установки наряду с жесткими требованиями к скорости и крутящему моменту .



