| штат: | |
|---|---|
| Количество: | |
P281
I.CH
Планетарная коробка передач диаметром 28 мм 27:1 обеспечивает высокоточные характеристики: передаточное число 27:1 обеспечивает высокий крутящий момент, плавную передачу мощности и долговечность. Компактный и малогабаритный, он идеально подходит для промышленной автоматизации, небольшой робототехники и приложений с ограниченным пространством. Надежный планетарный редуктор диаметром 28 мм с соотношением сторон 27:1.
Описание коробки передач 28 мм планетарной коробки передач | |||||||
| Жилищный материал | Подшипник на выходе | Радиальная нагрузка (10 мм от фланца) | Осевая нагрузка вала | Пресс с валом , макс. | Радиальная игра вала | Упорная игра вала | Обратная реакция без нагрузки |
| Металл | Подшипники рукава | ≤3 кгф | ≤2,5 кгф | ≤10 кгф | ≤0,08 мм | ≤0,2 мм | ≤3 ° |
| Металл | Шариковые подшипники | ≤3,5 кгф | ≤2,5 кгф | ≤10 кгф | ≤0,05 мм | ≤0,2 мм | ≤3 ° |
Планетарная коробка передач диаметром 28 мм 27:1 обеспечивает высокоточные характеристики: передаточное число 27:1 обеспечивает высокий крутящий момент, плавную передачу мощности и долговечность. Компактный и малогабаритный, он идеально подходит для промышленной автоматизации, небольшой робототехники и приложений с ограниченным пространством. Надежный планетарный редуктор диаметром 28 мм с соотношением сторон 27:1.
Описание коробки передач 28 мм планетарной коробки передач | |||||||
| Жилищный материал | Подшипник на выходе | Радиальная нагрузка (10 мм от фланца) | Осевая нагрузка вала | Пресс с валом , макс. | Радиальная игра вала | Упорная игра вала | Обратная реакция без нагрузки |
| Металл | Подшипники рукава | ≤3 кгф | ≤2,5 кгф | ≤10 кгф | ≤0,08 мм | ≤0,2 мм | ≤3 ° |
| Металл | Шариковые подшипники | ≤3,5 кгф | ≤2,5 кгф | ≤10 кгф | ≤0,05 мм | ≤0,2 мм | ≤3 ° |
| Спецификация шестерни | ||||
| Модуль | Количество зубов | Угол давления | Диаметр отверстия | Коэффициент сокращения . |
| 0.5 | 11 | 20 ° | 2.28 | 1/5,1/19,1/27,1/71,1/100,1/139,1/264,1/516,1/721 |
| 0.5 | 17 | 20 ° | 2.28 | 1/4,1/14,1/51,1/189 |
| 0.5 | 8 | 20 ° | 2.28 | 1/35,1/939 |
| Спецификация шестерни | ||||
| Модуль | Количество зубов | Угол давления | Диаметр отверстия | Коэффициент сокращения . |
| 0.5 | 11 | 20 ° | 2.28 | 1/5,1/19,1/27,1/71,1/100,1/139,1/264,1/516,1/721 |
| 0.5 | 17 | 20 ° | 2.28 | 1/4,1/14,1/51,1/189 |
| 0.5 | 8 | 20 ° | 2.28 | 1/35,1/939 |
| Спецификация коробки передач | |||||||||||||||
| Коэффициент сокращения | 1/4 | 1/5 | 1/14 | 1/19 | 1/27 | 1/35 | 1/51 | 1/71 | 1/100 | 1/139 | 1/189 | 1/264 | 1/516 | 1/721 | 1/939 |
| Оцененный крутящий момент толерантности (кг.cm макс.) | 2 | 2 | 3 | 3 | 4 | 4 | 6 | 6 | 8 | 8 | 10 | 10 | 10 | 10 | 10 |
| Максимальный моментальный толерантный крутящий момент (кг.чм ) | 6 | 6 | 9 | 9 | 12 | 12 | 18 | 18 | 24 | 24 | 30 | 30 | 30 | 30 | 30 |
| Эффективность | 80% | 80% | 70% | 70% | 70% | 70% | 60% | 60% | 60% | 60% | 50% | 50% | 50% | 50% | 50% |
| Длина (L-MM) | 24.5 | 24.5 | 30.9 | 30.9 | 30.9 | 30.9 | 37.3 | 37.3 | 37.3 | 37.3 | 43.7 | 43.7 | 43.7 | 43.7 | 43.7 |
| Вес (G) Подшипники рукава | 71 | 71 | 81 | 81 | 81 | 81 | 94 | 94 | 94 | 94 | 108 | 108 | 108 | 108 | 108 |
| Вес (G) Подшипники рукава | 70 | 70 | 80 | 80 | 80 | 80 | 93 | 93 | 93 | 93 | 107 | 107 | 107 | 107 | 107 |
| Спецификация коробки передач | |||||||||||||||
| Коэффициент сокращения | 1/4 | 1/5 | 1/14 | 1/19 | 1/27 | 1/35 | 1/51 | 1/71 | 1/100 | 1/139 | 1/189 | 1/264 | 1/516 | 1/721 | 1/939 |
| Оцененный крутящий момент толерантности (кг.cm макс.) | 2 | 2 | 3 | 3 | 4 | 4 | 6 | 6 | 8 | 8 | 10 | 10 | 10 | 10 | 10 |
| Максимальный моментальный толерантный крутящий момент (кг.чм ) | 6 | 6 | 9 | 9 | 12 | 12 | 18 | 18 | 24 | 24 | 30 | 30 | 30 | 30 | 30 |
| Эффективность | 80% | 80% | 70% | 70% | 70% | 70% | 60% | 60% | 60% | 60% | 50% | 50% | 50% | 50% | 50% |
| Длина (L-MM) | 24.5 | 24.5 | 30.9 | 30.9 | 30.9 | 30.9 | 37.3 | 37.3 | 37.3 | 37.3 | 43.7 | 43.7 | 43.7 | 43.7 | 43.7 |
| Вес (G) Подшипники рукава | 71 | 71 | 81 | 81 | 81 | 81 | 94 | 94 | 94 | 94 | 108 | 108 | 108 | 108 | 108 |
| Вес (G) Подшипники рукава | 70 | 70 | 80 | 80 | 80 | 80 | 93 | 93 | 93 | 93 | 107 | 107 | 107 | 107 | 107 |
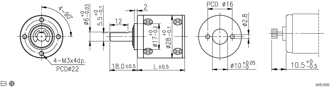
| Механические размеры |
![]() |
| Механические размеры |
![]() |
Полная таблица данных
Полная таблица данных