| штат: | |
|---|---|
| Количество: | |
PG603
I.CH
60mm Planetary Gearbox
Описание
Высокоточный сервопланетарный редуктор с малым люфтом (квадратный фланец) разработан для серводвигателей и сопутствующего оборудования, требующего снижения скорости или увеличения крутящего момента. Обладая минимальным люфтом (≤3 угловых минут) для превосходной точности передачи, он легко сочетается с серводвигателями и подходит для сценариев с сервоприводом, таких как автоматизированные производственные линии, соединения роботов и прецизионные станки, благодаря конструкции с квадратным фланцем, упрощающей установку. Для получения дополнительной информации о применении в промышленных областях, пожалуйста, обратитесь к Precision Gearbox - I.CH Motion Co., Ltd..
- Низкий уровень шума: использование эвольвентной зубчатой передачи, легированной стали с карбонизированной и закалочной термической обработкой, уровень точности шлифования зубчатых колес может достигать класса ISO 5, профиль и осевая модификация могут повысить несущую способность, чтобы обеспечить плавную и тихую работу редуктора.
- Высокая точность: люфт составляет 3 угловых минуты или меньше, точное позиционирование.
- Высокая жесткость, высокий крутящий момент: на выходном валу используется конструкция большого размера с двойным опорным подшипником с большим пролетом, что повышает жесткость и крутящий момент редуктора.
- Высокая эффективность: 1-ступенчатая до 95% и более, 2-ступенчатая до 92% и более.
- Не требует обслуживания: низкий износ смазки, может быть смазкой на весь срок службы.
- Хороший эффект уплотнения: смазка с высокой вязкостью, нелегко разделить характеристики, класс защиты IP65, чтобы гарантировать отсутствие утечек смазки.
- Широкая применимость: подходит для любого типа серводвигателя, настраивается для специальной комбинации и легко монтируется.
Электрические спецификации коробки передач
Серия Reducer | 1 |
Эффективность передачи | >=90% |
Максимальная радиальная нагрузка | ≤200 Н |
Максимальная осевая нагрузка | ≤100 Н |
Крутящий момент передачи | 15 Нм |
Коэффициент сокращения | 10/1 |
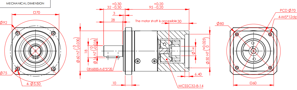
Длина (мм) | 95 |
Примечание: мы можем производить продукты в соответствии с требованиями клиента. | |
Описание
Высокоточный сервопланетарный редуктор с малым люфтом (квадратный фланец) разработан для серводвигателей и сопутствующего оборудования, требующего снижения скорости или увеличения крутящего момента. Обладая минимальным люфтом (≤3 угловых минут) для превосходной точности передачи, он легко сочетается с серводвигателями и подходит для сценариев с сервоприводом, таких как автоматизированные производственные линии, соединения роботов и прецизионные станки, благодаря конструкции с квадратным фланцем, упрощающей установку. Для получения дополнительной информации о применении в промышленных областях, пожалуйста, обратитесь к Precision Gearbox - I.CH Motion Co., Ltd..
- Низкий уровень шума: использование эвольвентной зубчатой передачи, легированной стали с карбонизированной и закалочной термической обработкой, уровень точности шлифования зубчатых колес может достигать класса ISO 5, профиль и осевая модификация могут повысить несущую способность, чтобы обеспечить плавную и тихую работу редуктора.
- Высокая точность: люфт составляет 3 угловых минуты или меньше, точное позиционирование.
- Высокая жесткость, высокий крутящий момент: на выходном валу используется конструкция большого размера с двойным опорным подшипником с большим пролетом, что повышает жесткость и крутящий момент редуктора.
- Высокая эффективность: 1-ступенчатая до 95% и более, 2-ступенчатая до 92% и более.
- Не требует обслуживания: низкий износ смазки, может быть смазкой на весь срок службы.
- Хороший эффект уплотнения: смазка с высокой вязкостью, нелегко разделить характеристики, класс защиты IP65, чтобы гарантировать отсутствие утечек смазки.
- Широкая применимость: подходит для любого типа серводвигателя, настраивается для специальной комбинации и легко монтируется.
Электрические спецификации коробки передач
Серия Reducer | 1 |
Эффективность передачи | >=90% |
Максимальная радиальная нагрузка | ≤200 Н |
Максимальная осевая нагрузка | ≤100 Н |
Крутящий момент передачи | 15 Нм |
Коэффициент сокращения | 10/1 |
Длина (мм) | 95 |
Примечание: мы можем производить продукты в соответствии с требованиями клиента. | |